EasyManua.ls Logo

Samsung SCA30 - Page 16

Samsung SCA30
130 pages
Print Icon
To Next Page IconTo Next Page
To Next Page IconTo Next Page
To Previous Page IconTo Previous Page
To Previous Page IconTo Previous Page
Loading...
Samsung Electronics 4-9
Disassemblr and Reassembly
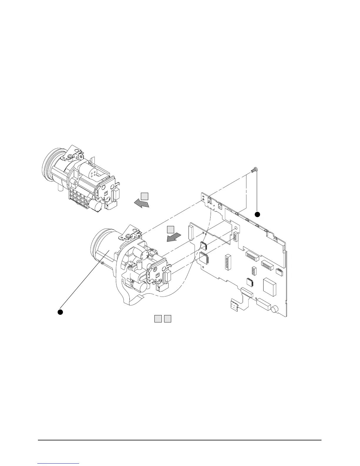
1
REMOVE 1 SCREW.
B
A
A B
1
REMOVE THE CAMERA
IN THE DIRECTION OF ARROW.
4-1-9 Ass’y Camera Removal
Fig. 4-9 Ass’y Camera Removal

Other manuals for Samsung SCA30

Related product manuals