EasyManua.ls Logo

Samsung SR-686EV - 8-3 Door S;W sensing part

Samsung SR-686EV
64 pages
Print Icon
To Next Page IconTo Next Page
To Next Page IconTo Next Page
To Previous Page IconTo Previous Page
To Previous Page IconTo Previous Page
Loading...
Samsung Electronics 17
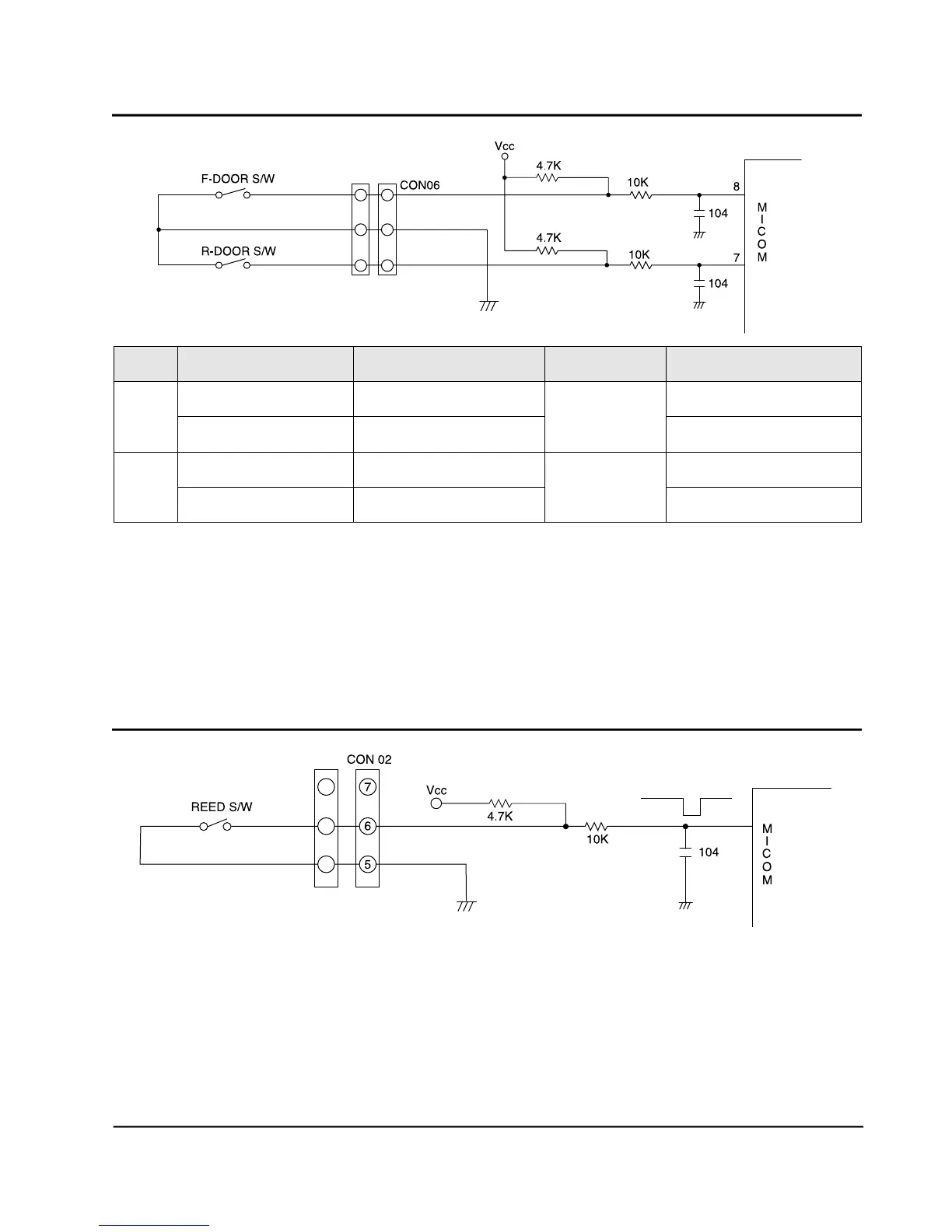
8-3 Door S/W sensing part
8-4 “V” motor, location sensing part ( Reed S/W)
1) When the door is opened, the door S/W closed and MICOM input is ‘Low’.
Then the door-open is sensed.
2) When the door is closed, the door S/W is opened and MICOM input is ‘high’.
Then the door closed is sensed.
1) “V” motor’s location sensing which is for G.A. fuzzy control is done by reed S/W.
2) There occure a “high” to “Low” and “Low” to “High” conversion period on con02 pin6 by the
motion of swing fan. “V” motor’s location is detected by it
DOOR
F
R
Door Conditions
CLOSE
OPEN
CLOSE
OPEN
Door S/W Contact
CLOSE
OPEN
CLOSE
OPEN
CON06
PIN NO
1
3
Micom Input Voltage
“HIGH”
“LOW”
“HIGH”
“LOW”

Table of Contents

Related product manuals