EasyManua.ls Logo

Samsung VRF DVM S2 - Piping Diagrams - Outdoor Unit; Refrigerant Piping for AM100-140 AXVDGH

Samsung VRF DVM S2
66 pages
Print Icon
To Next Page IconTo Next Page
To Next Page IconTo Next Page
To Previous Page IconTo Previous Page
To Previous Page IconTo Previous Page
Loading...
Outdoor unit
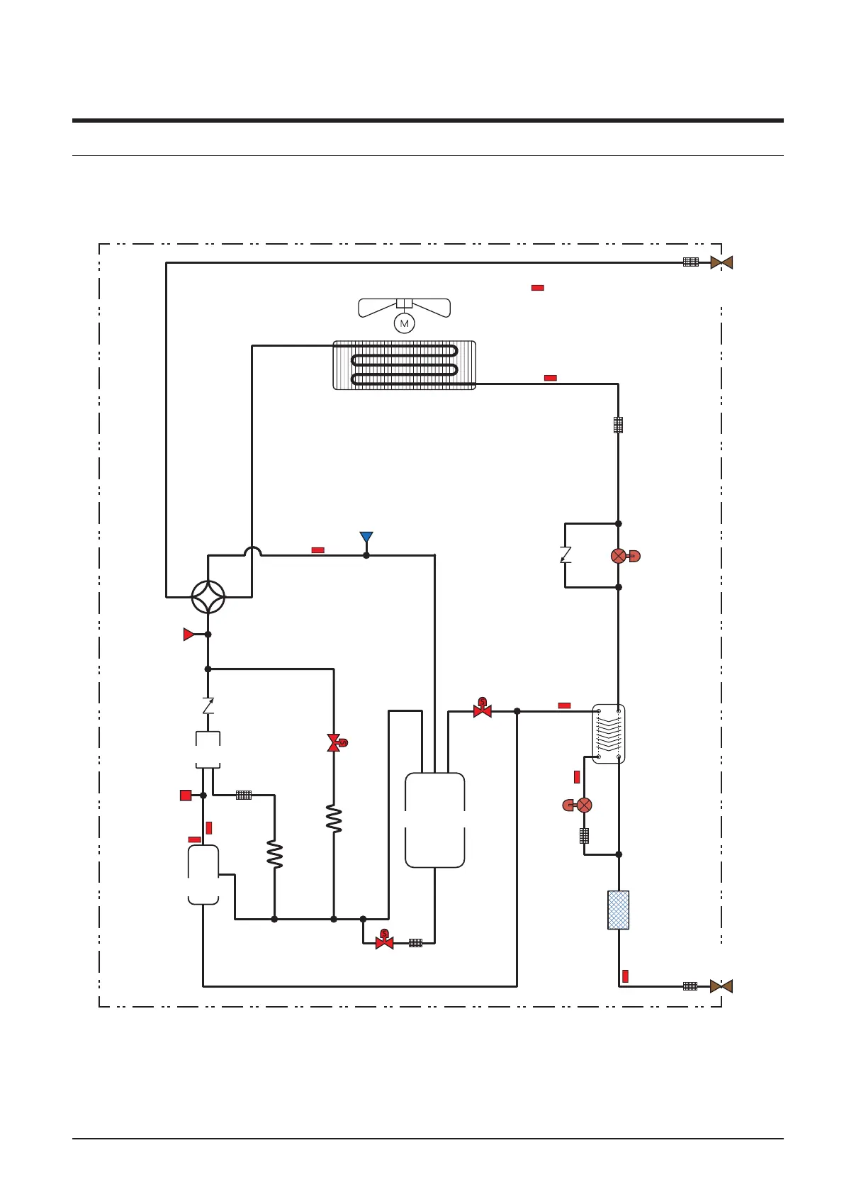
9. Piping Diagram
(1) AM100~140AXVDGH
Heat
Exchanger -
Intercooler
(HX_IC)
Thermistor -
EVI In
(T_EI)
Electronic
Expansion
Valve -
EVI (E_EVI)
IPM Cooler
(IPMC)
Ball Valve -
Gas pipe
(BV_G)
Thermistor -
Ambient
(T_A)
Thermistor -
Cond Out
(T_CO)
Thermistor -
Suction pipe
(T_S)
Electronic
Expansion
Valve -
Main
(E_M)
Thermistor -
Liquid pipe
(T_L)
Ball Valve -
Liquid pipe
(BV_L)
Pressure
Sensor -
Low
(PS_L)
Check Valve -
EEV Bypass
(CV_EB)
Solenoid Valve -
4Way (V_4W)
Heat Exchanger - Main (HX_M)
Solenoid Valve -
Hot Gas bypass
(V_HG)
Thermistor -
Discharge
pipe
(T_D)
Thermistor -
Compressor
Top
(T_CT)
Pressure
Switch -
High
(PW_H)
Solenoid Valve -
Accumulatoroil Return
(V_AR)
Accumulator
(AC)
Pressure
Sensor -
High
(PS_H)
Compressor1
(COMP1)
Check Valve -
Discharge
(CV_D)
Oil
Separator
(OS)
Solenoid
Valve -
EVI Bypass
(V_EB)
Thermistor -
EVI Out
(T_EO)
Outdoor Fan 1 (OF1)
Motor for Outdoor Fan 1 (OFM1)

Related product manuals