EasyManua.ls Logo

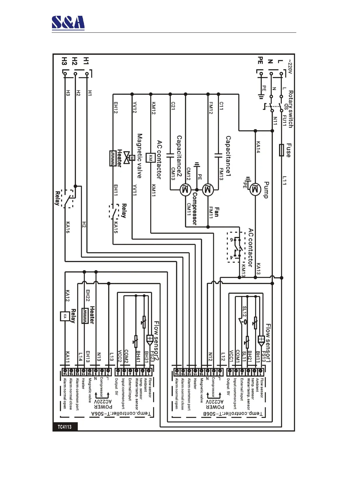
S&A CWFL-1000 - Attachment - Schematics

S&A CWFL-1000
20 pages
Print Icon
To Previous Page IconTo Previous Page
To Previous Page IconTo Previous Page
Loading...
TY-JS-211220-009
20
CWFL-3000

Related product manuals