EasyManua.ls Logo

S&A CWFL-2000 - Page 19

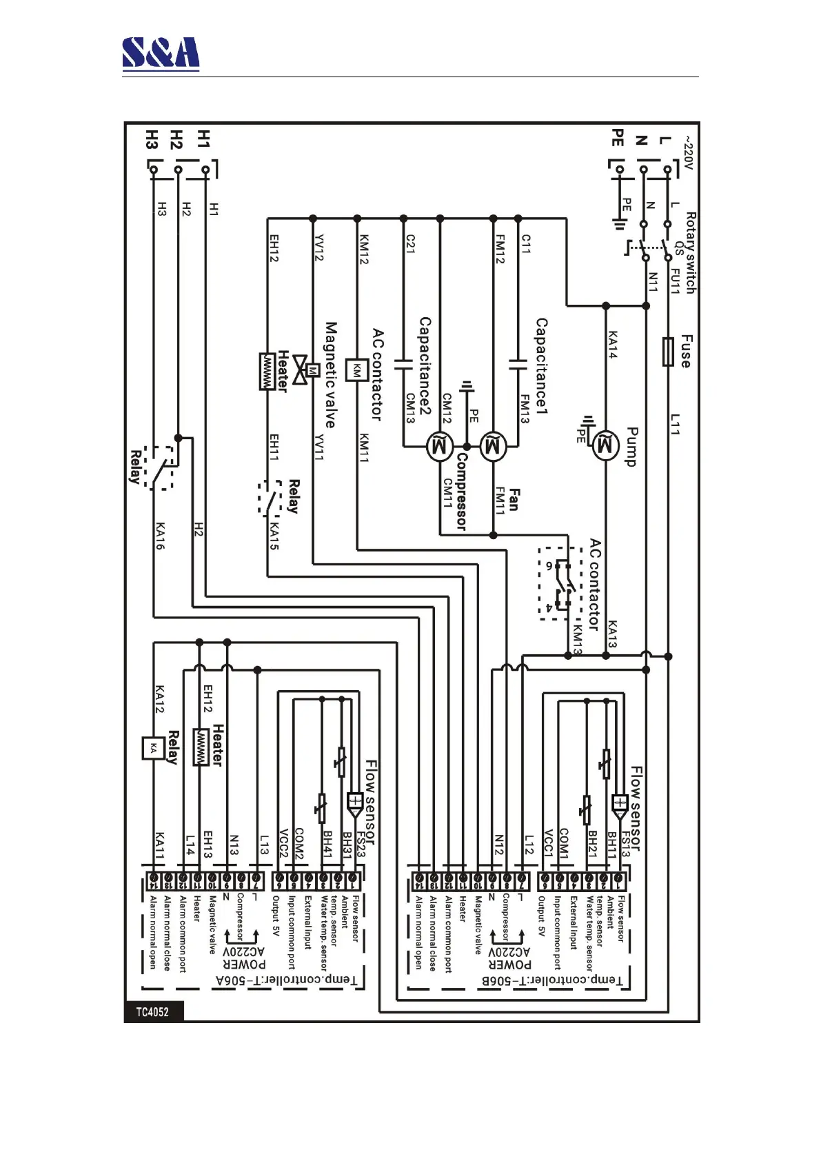
S&A CWFL-2000
20 pages
Print Icon
To Next Page IconTo Next Page
To Next Page IconTo Next Page
To Previous Page IconTo Previous Page
To Previous Page IconTo Previous Page
Loading...
TY-JS-211220-009
19
CWFL-1500/2000

Related product manuals