EasyManua.ls Logo

Sandpiper SA1 - Pump Dimensional Drawings

Sandpiper SA1
19 pages
Print Icon
To Next Page IconTo Next Page
To Next Page IconTo Next Page
To Previous Page IconTo Previous Page
To Previous Page IconTo Previous Page
Loading...
sa1dl5sm-rev0217
sandpi p erpump.com
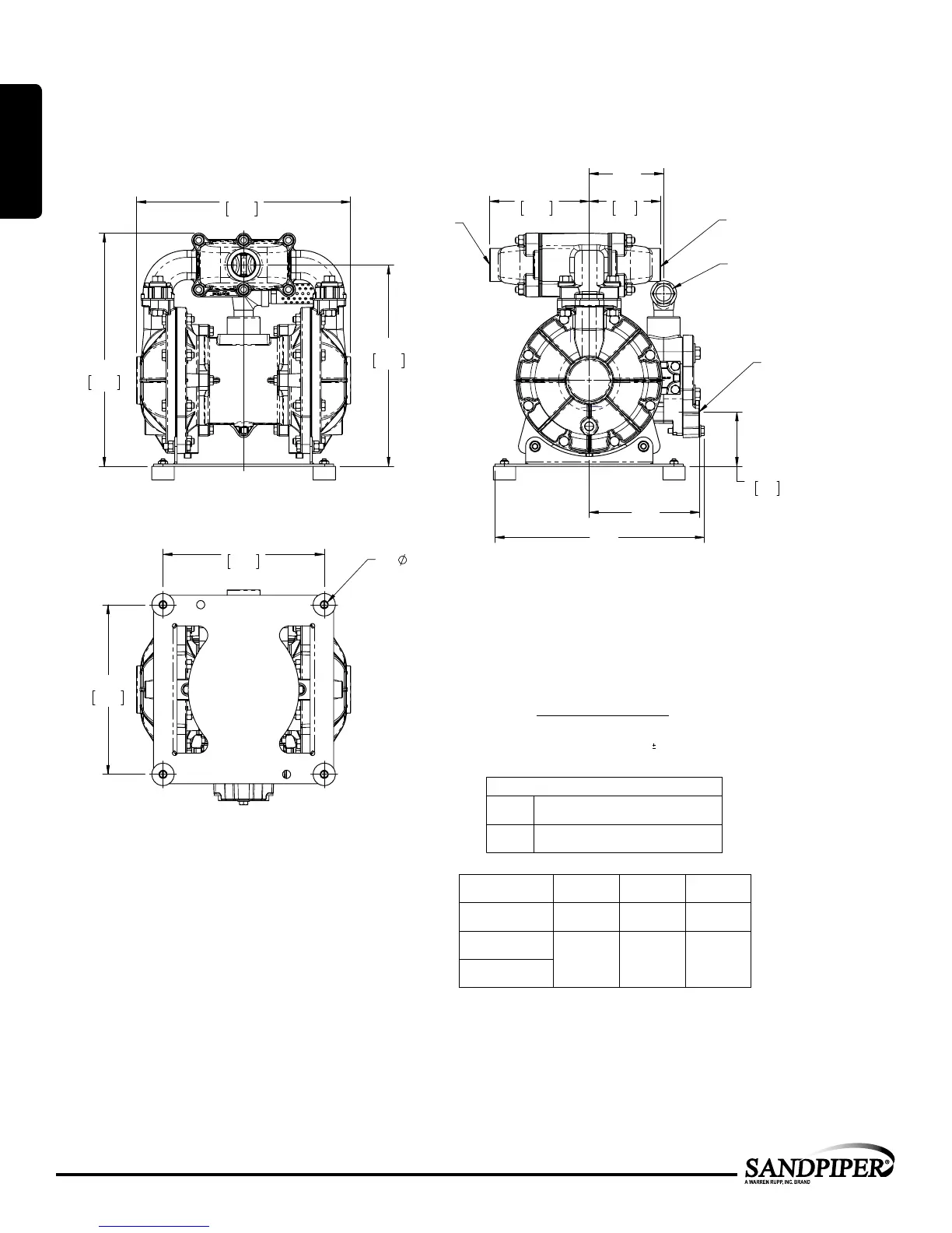
3 • Model SA1/SA25
SA1 & SA25 Heavy Duty Flap Valve - Top Ported
Dimensions in inches (metric dimensions in brackets). Dimensional Tolerance .125" (3mm).
10.69
271
12.38
314
11.36
288
"C"
5.29
134
3.79
96
"A"
"B"
2.89
73
AIR EXHAUST
3/4" FNPT
SUCTION PORT
1" FNPT (SA1)
1" BSPT (SA25)
AIR INLET
1/2" FNPT
DISCHARGE PORT
1" FNPT (SA1)
1" BSPT (SA25)
9.00
229
8.56
217
4X
.28 [7] MOUNTING HOLE
NOTE:
UNIT FURNISHED WITH SUB-BASE PLATE
AND RUBBER FEET AS STANDARD. FOR
STATIONARY BOLT DOWN USE, RUBBER
FEET CAN BE REMOVED.
SA1 / SA25
HEAVY DUTY FLAP VALVE PUMP
TOP PORTED
DIMENSIONAL TOLERANCE
1/8 [3]
[XX] = MILLIMETERS
SUCTION & DISCHARGE CONNECTIONS
SA1
1" NPT FEMALE THREADED
CONNECTIONS
SA25
1" BSP TAPERED FEMALE THREADED
CONNECTIONS
PUMP
CONFIGURATION
DIM "A" DIM "B"
DIM "C"
ALUMINUM
CENTER SECTION
3.95 [100] 5.86 [149] 11.11 [282]
CAST IRON
CENTER SECTION
4.10 [104] 5.54 [141] 11.26 [286]
PULSE OUTPUT
CONFIGURATION
Dimensional Drawings
MODEL SPECIFIC
1: PUMP SPECS

Related product manuals