EasyManua.ls Logo

SANJIANG SEC3002 - Battery Connection; Points Connection to the Loop

SANJIANG SEC3002
26 pages
Print Icon
To Next Page IconTo Next Page
To Next Page IconTo Next Page
To Previous Page IconTo Previous Page
To Previous Page IconTo Previous Page
Loading...
SEC3002 FIRE ALARM CONTROL PANEL
Page 6 of 24
PSE Filter
AC power
Fuse
P.S.E
To battery
PE
N
L
PE
N
L
PE
N
L
PE
N
L
Black
Yellow&Green
Blue
Brown
Yellow&Green
Blue
Brown
GND
BAT+
Red
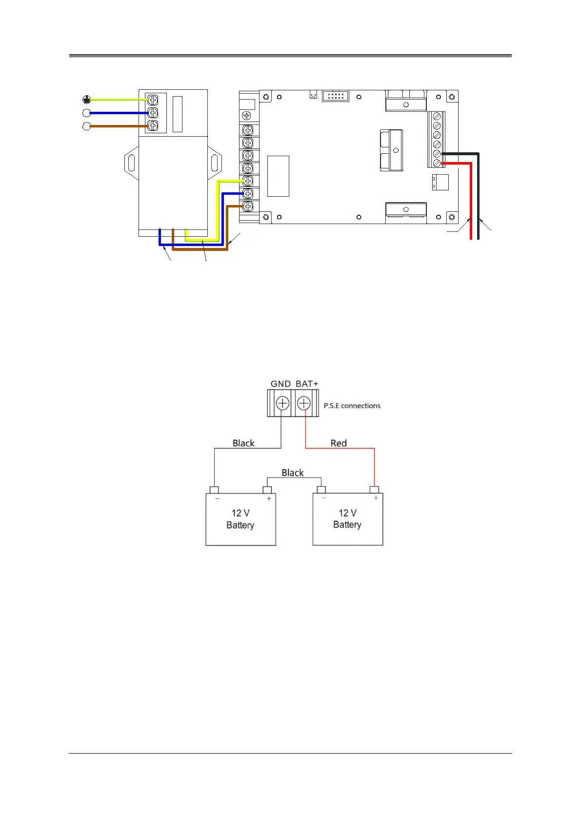
3.4 Battery connection
For this single loop system, 2×12V/17Ah sealed lead acid batteries are used as per the
calculation of battery capacity in section 6. The batteries should be connected in series first
using the link wire supplied and be located within the panel enclosure. Then connect the
battery wire leads to the P.S.E terminal connections.
Note: Do NOT connect batteries before applying mains power first.
3.5 Points connection to the loop
The figure in next page shows a typical loop connection complete with detectors, sounder
strobes, modules and loop isolators. Both ends of the loop are connected respectively to the
Loop In and Loop Out terminal block on the IO Board.
Means to limit the consequences of short fault on the loop is offered by containing loop
isolators. At this point, a single short circuit fault will only disable devices in the section of
wiring between isolators rather than disrupt the whole loop. Within 70s following the
occurrence of short fault, the isolator will work. It is recommended to install the isolators at
intervals not exceeding 32 addressable devices.

Related product manuals