EasyManua.ls Logo

Sansui 2000 - Block Diagram of Printed Circuits

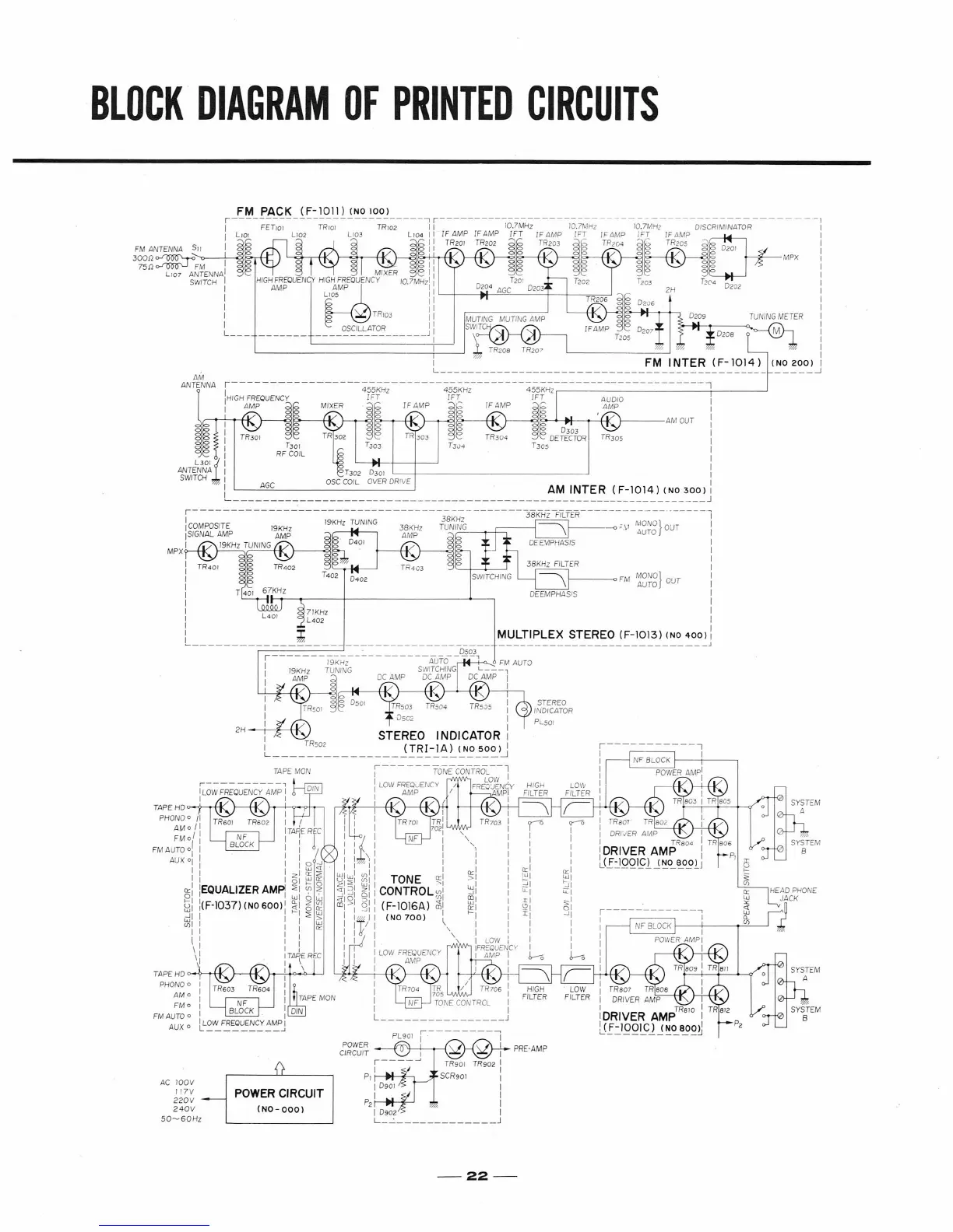
Sansui 2000
40 pages
Print Icon
To Next Page IconTo Next Page
To Next Page IconTo Next Page
To Previous Page IconTo Previous Page
To Previous Page IconTo Previous Page
Loading...

Related product manuals