EasyManua.ls Logo

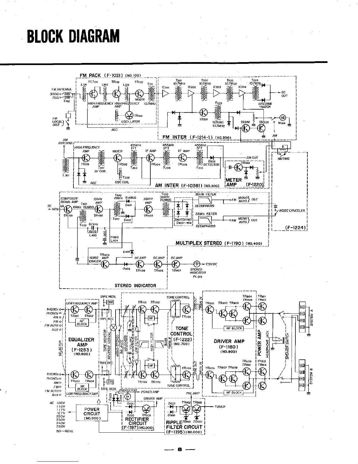
Sansui 2000A - Block Diagram

Sansui 2000A
33 pages
Print Icon
To Next Page IconTo Next Page
To Next Page IconTo Next Page
To Previous Page IconTo Previous Page
To Previous Page IconTo Previous Page
Loading...

Related product manuals