EasyManua.ls Logo

Sansui 2000X - Block Diagram

Sansui 2000X
31 pages
Print Icon
To Next Page IconTo Next Page
To Next Page IconTo Next Page
To Previous Page IconTo Previous Page
To Previous Page IconTo Previous Page
Loading...
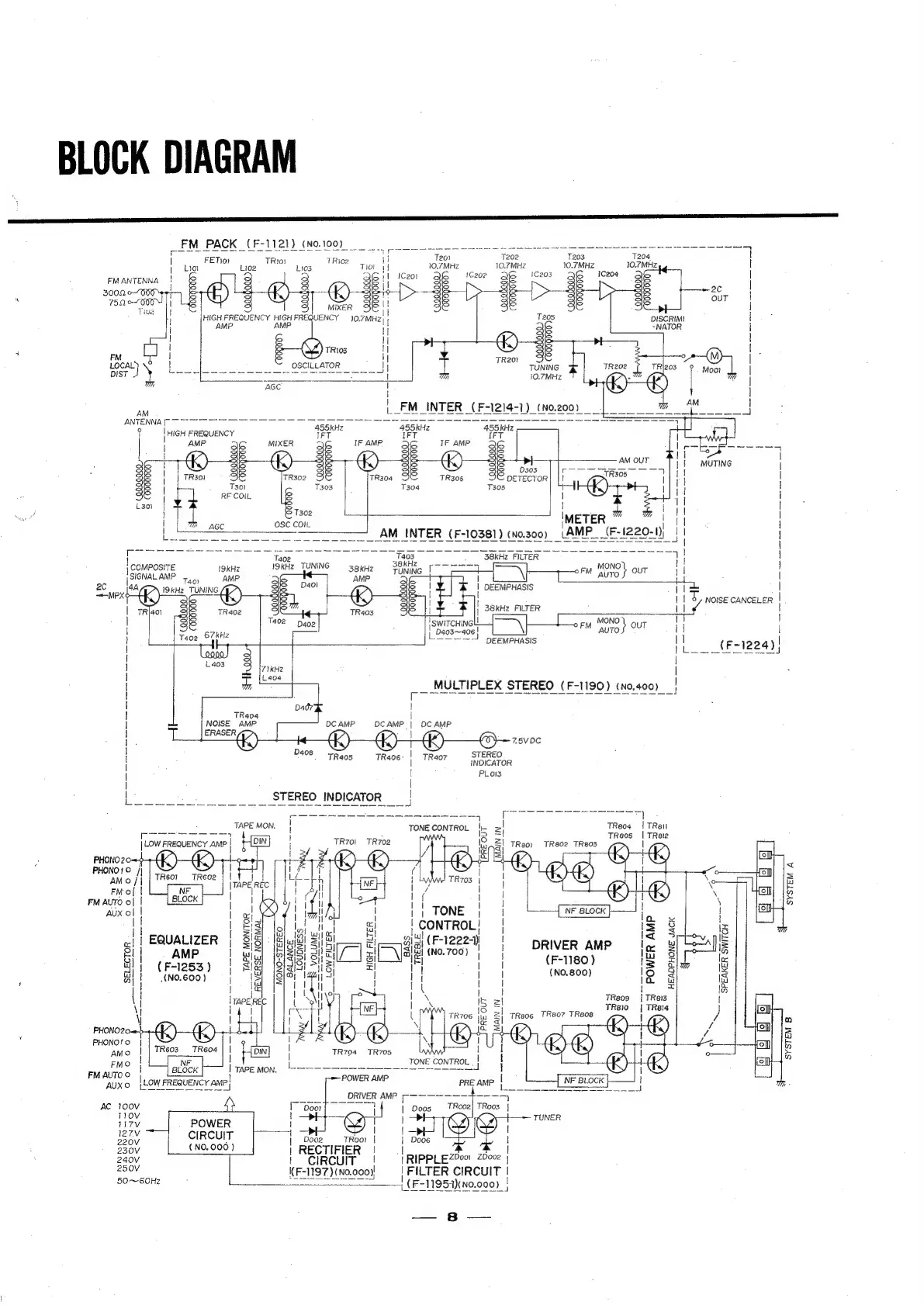
BLOCK
DIAGRAM
FM
PACK
oe
(NO100}
if
FETio1
TRiez
ii
)
Lio
02
3
iol
af
FM
ANTENNA
|
38
||
3002
~T
Le
75.2000
||
&
AMP
HIGH
FREQUENCY
a
FREQUENCY
107
MHz
FM
_INTER
(F-1214-1)
(No.200)
T204
10.7MHZ
T203
10.7MHZ
oad
Teo2
1C204
$+—+-2C
OUT
DISCRIMI
~NATOR
i
Le.
AM
= 2
__
=
__
le
eateries
=
ANTENNA
{
455kHz
455KH2
A
|
HIGH
FREQUENCY
AMP
MIXER
=
IF
AMP
©
AMPS
Qe
4
ow
a
EEE
-
5
|
MUTING
|
i
career
17>
peated
|
|
TR302
TR304
&
DETECTOR]
|
1
j
|
T303
T7304
T305
+
|
!
!
T302
=
|
!
|
|
OSC
COIL
METER
Le
ieee
mS
eee
i
el
oa
|
Pee
here
ee
ee
ia
ra
|
COMPOSITE
19kHz
|
{SIGNAL
AMP
AMP
|
|
2C
AAG
I9kH2
TUNING
|
DEEMPHASIS
2
~-MPX
=
oy
NOISE
CANCELER
|
|
38kH2
FILTER
¢
|
|
ea
8
(F-1224)
|
[
}
|
Po
I
MYVTIRPLER
STEREO
(F-1190)
(NO,400)
!
|
|
ne
NOISE
AMP
|
ERASER
(K
avis
i
Daoe
ai
STEREO
!
TR405
TRa06
|
TRao
INDICATOR
PLois
|
i
Ng
STEREO
INDICATOR
|
-
--
Sees
meas
TAPE
MON.
|
TONE
CONTROL
|.
2!
Mire
Ue
Rs
oe
ee
y
;
LOW
FREQUENCY
AMP
Hon)
TR701
TR7o2
if
3
TRaor
TReo2
TReo3
{
3
=
C}
PHONO
2
1
|
#®)
)
Pe
gh
@
<
be
~
o
°
Baars
fl
TR6O1
TREO2
J
Uh
TF
I
Laan!
TRIOS
i
|
\
a
|
is
-
I
Ps
x
|
©
a
V
N
\
‘fil
ce
1
¢
1
4
&
FM
AUTO
o|
BLOCK
(X)
of!
itl
Lior
ie
5
eH”
Aux
o|
ra
{
at
|
|
|
TONE
|
a
x
i
|
5
3
lo
be
.
‘at
fs!
CONTROL
|
1
a
‘5
7
elite)
|
5 w
E
EQUALIZER
SB:
Hesjuy
wl
S),
wl
al
Bla
(F-12224)
|
ty
5
gl
Q
Zz
Sig}
gS)
S15)
oa
)
a
ino.
700)
!
DRIVER
AMP
|
oe
2
FA
Bit
AMP
wy)
isiat
Susi
|
SL
NP
!
(F+1180)
ae
ls
ily
(F-12583)
|
Big)
(igiGl
"sl
El
a
1
|
ina
boo)
5
4m
Oe
B,
1
.ANO.600)
|
(S|er
eu
|
Vy
Wt
|
a
i
Pe
|
e
\
l
!
TReo:
|
TReis
3
K
9
:
TAPE
REC
‘Ay
aE
1S
13
2!
TReio0
|
TRei¢
J
\
I
oe
I
-—4
t
TR706
jus
2]
TReoe
TReo7
TReos
Pr!
/
ao
!
L
\
eg
/
=
PHONOZ:
/
ai
PHONOTO
I
aa
5
AMO
TReos
TReo4a
DIN
TR704
TR705
i
ee
5
i
NE
TONE
CONTROL
oy
ies
{
BLOCK
are
won,
b-—
ee
4
H
AUXo
{LOW
FREQUENCY
AMP
fae
PRE
AMP
peeeepazen
Aaa
BLOCK
I
ae
6
Tilt
eves
Ae
ORIVER
AMP
AC
100V
1
Door
a
|
‘itce
110V
Tl
Vi7V
POWER
il
Bayi
CIRCUIT
|
Dooz
TRoo:
|
(NO.000
)
j
230V
|
RECTIFIER
ell
240V
}
CIRCUIT
tRIPPLEZ20o
Z2Dooz
|
eOOY
KE-MI9Z)(no.
000)
|
FILTER
CIRCUIT
|
50~60Hz
((F-11954)(no.000)
|

Related product manuals