EasyManua.ls Logo

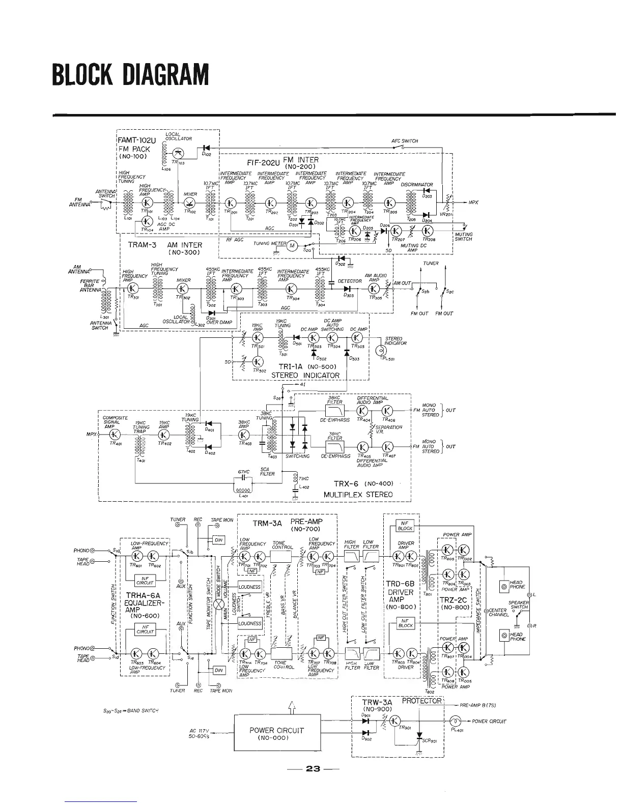
Sansui 3000 - Block Diagram

Sansui 3000
42 pages
Print Icon
To Next Page IconTo Next Page
To Next Page IconTo Next Page
To Previous Page IconTo Previous Page
To Previous Page IconTo Previous Page
Loading...

Other manuals for Sansui 3000

Related product manuals