EasyManua.ls Logo

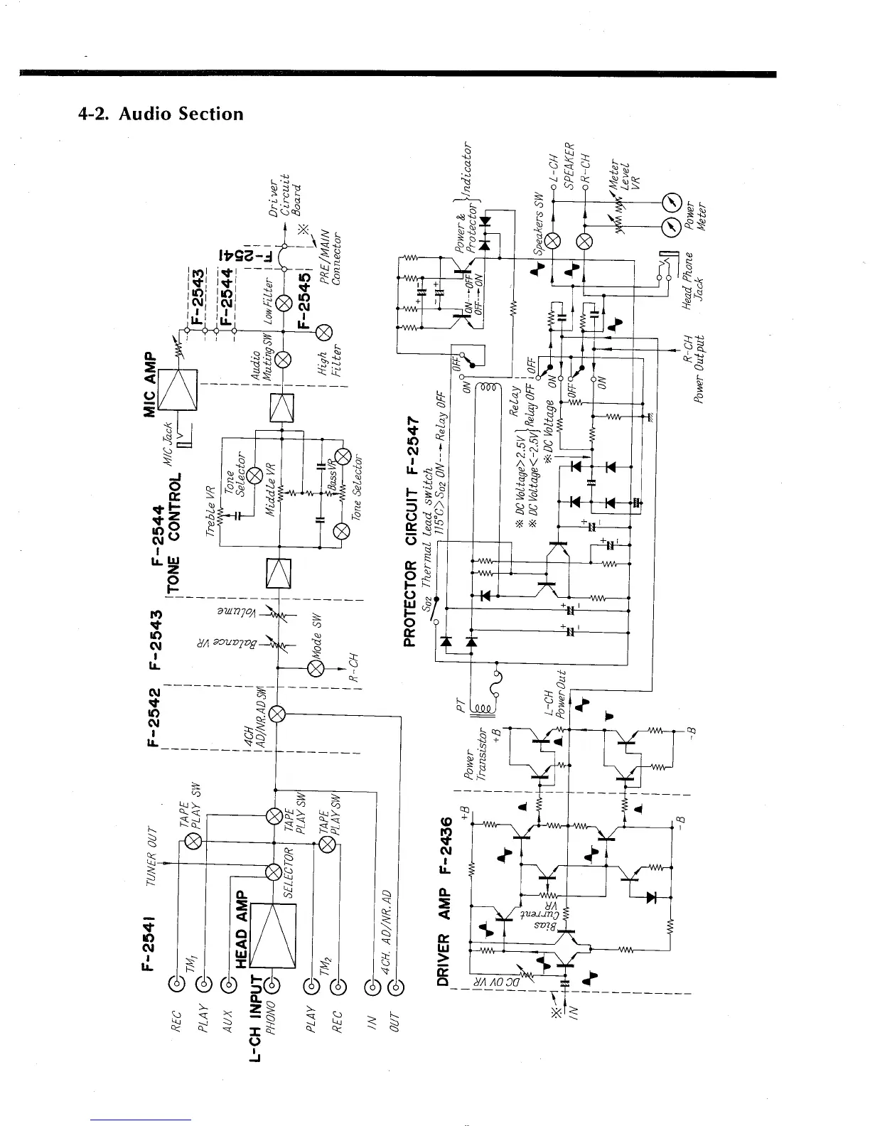
Sansui 990 - Audio Section Block Diagram

Sansui 990
28 pages
Print Icon
To Next Page IconTo Next Page
To Next Page IconTo Next Page
To Previous Page IconTo Previous Page
To Previous Page IconTo Previous Page
Loading...

Related product manuals