EasyManua.ls Logo

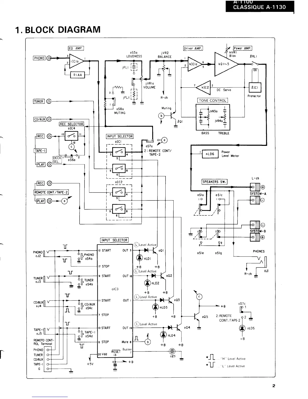
Sansui A-1100 - Block Diagram; Signal Flow Overview; Input Selector Logic; Power Amplifier and DC Servo

Sansui A-1100
14 pages
Print Icon
To Next Page IconTo Next Page
To Next Page IconTo Next Page
To Previous Page IconTo Previous Page
To Previous Page IconTo Previous Page
Loading...

Related product manuals