EasyManua.ls Logo

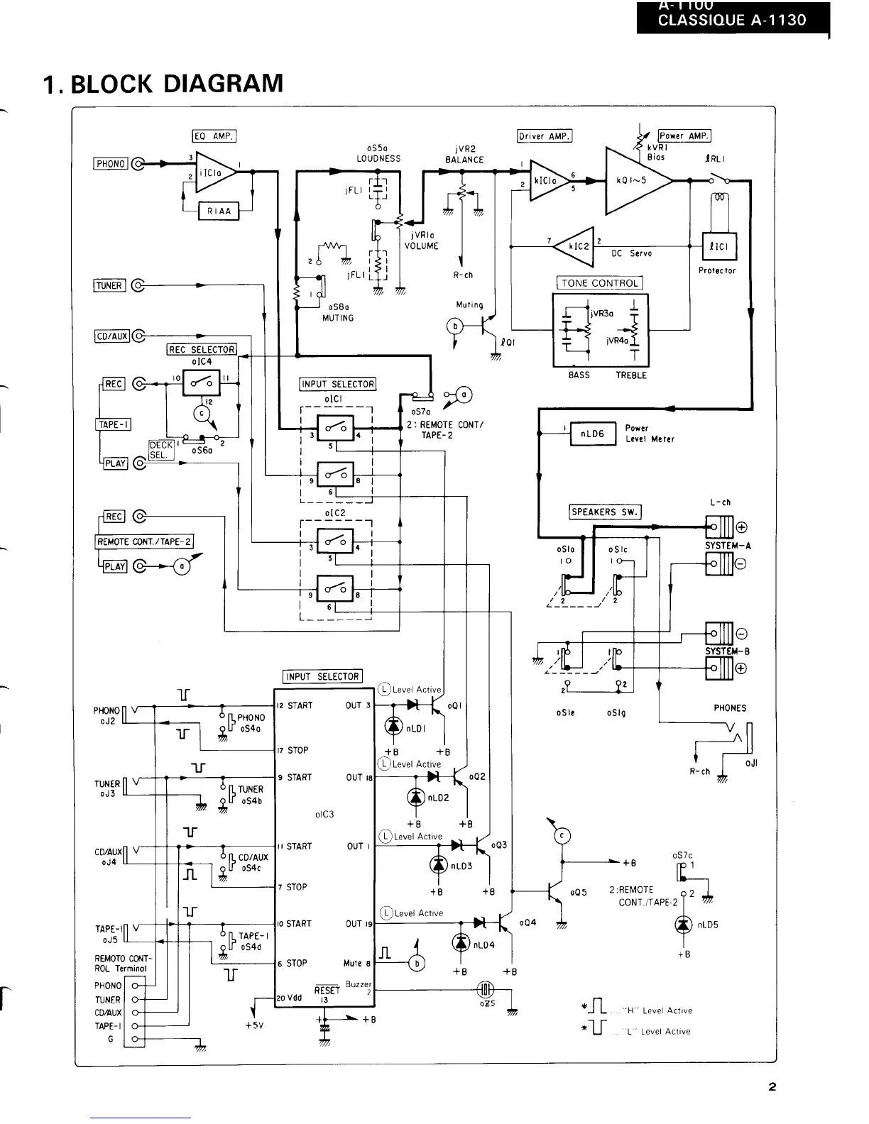
Sansui CLassique A-1130 - BLOCK DIAGRAM

Sansui CLassique A-1130
14 pages
Print Icon
To Next Page IconTo Next Page
To Next Page IconTo Next Page
To Previous Page IconTo Previous Page
To Previous Page IconTo Previous Page
Loading...

Related product manuals