EasyManua.ls Logo

Sansui G-3500 - Muting Circuit

Sansui G-3500
12 pages
Print Icon
To Next Page IconTo Next Page
To Next Page IconTo Next Page
To Previous Page IconTo Previous Page
To Previous Page IconTo Previous Page
Loading...
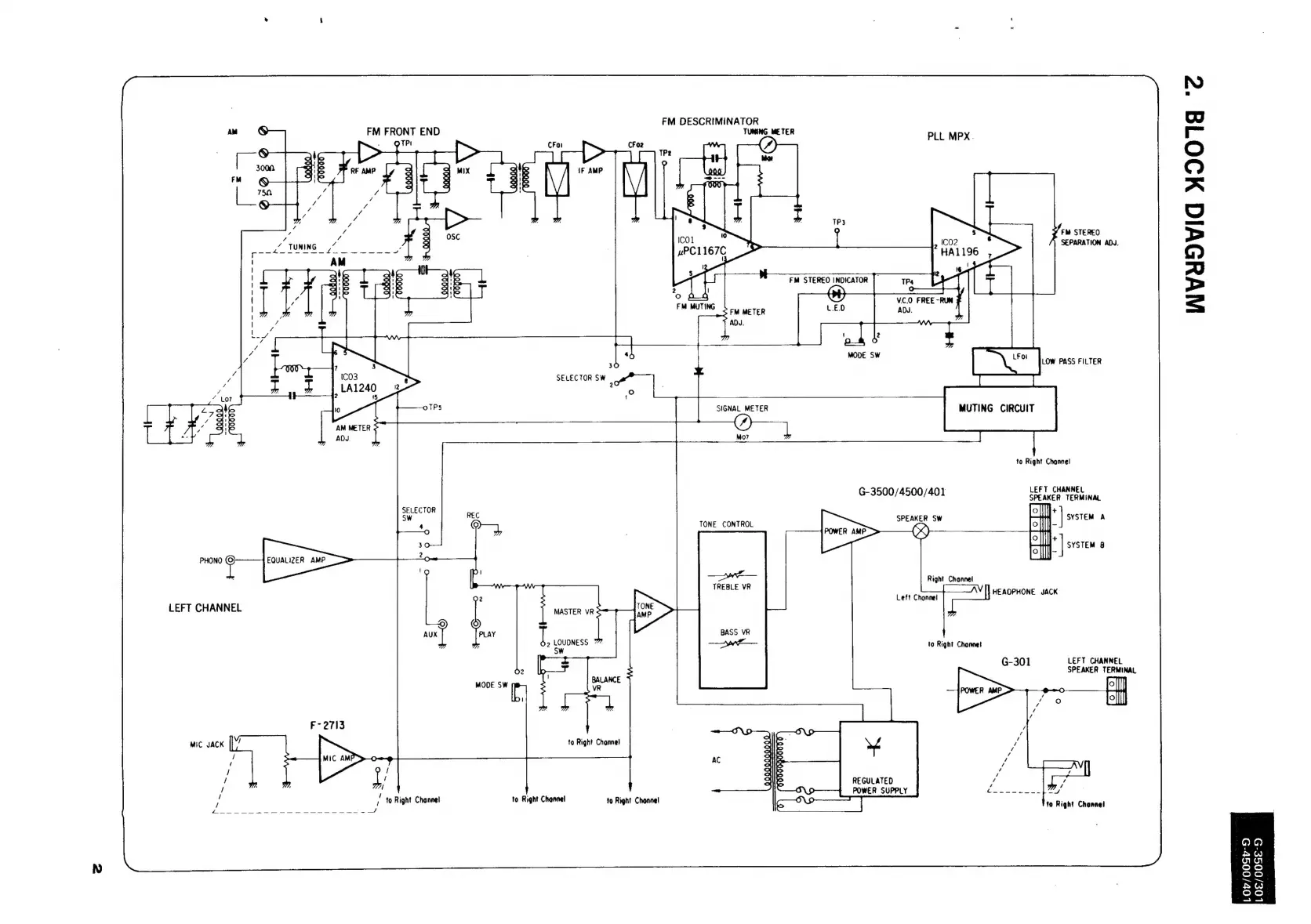
AM
METER
ADJ.
EQUALIZER
AMP
PHONO
LEFT
CHANNEL
F-2713
MIC
JACK
FM
FRONT
END
t
to
Right
Channel
FM
DESCRIMINATOR
TUNING
METER
PLL
MPX.
TPt
CFol
=
Vi
(F
AMP
GOG00
5
»
(Coz
,
HA1196
,
FM
STEREO
SEPARATION
ADJ.
SELECTOR
SW
4
SIGNAL
METER
MUTING
CIRCUIT
to
Right
Channel
LEFY
CHANNEL
G-3500/4500/401
SPEAKER
TERMINAL
ee
:
PEAK
2
TONE
CONTROL
SPEAKER
SW
POWER
AMP
NS
TREBLE
VR
Right
Channel
L
HEADPHON
ACK
BASS
VR
Diy
3
LOUDNESS
to
Right
Channet
G-301
LEFT
CHANNEL
SPEAKER
TERMINAL
to
Right
Chonnel
oA
REGULATED
POWER
SUPPLY
»
ro)
ofoleTerevetelelededs
S
0
e
@
to
Right
Channel
to
Right
Channel
to
Right
Channel
WVYOVIG
MO018
“c
QO
WwW
ool
oo
oo
~~
oo,
bw
Oo
—_
om

Related product manuals