EasyManua.ls Logo

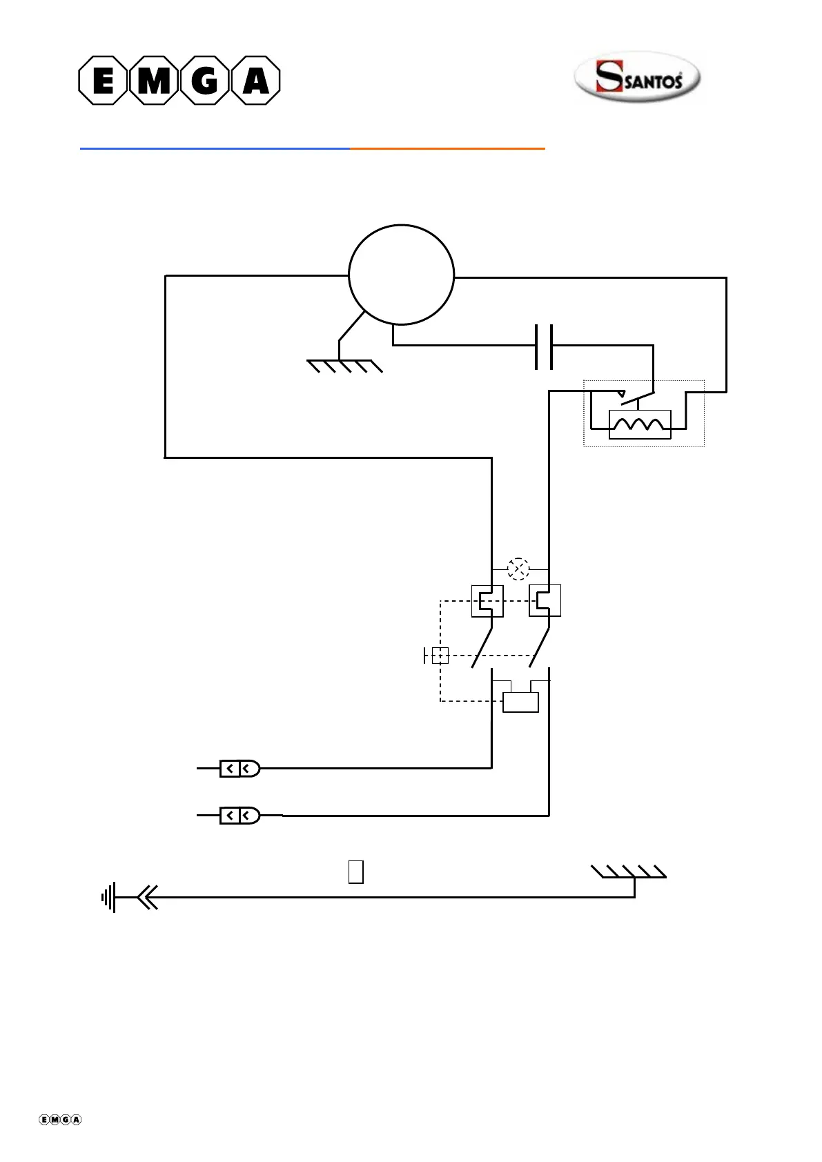
Santos 01 - Elektrisch Schema 220-240 V 50 Hz, Modellen N°1 en N°1 PS

Santos 01
Print Icon
To Next Page IconTo Next Page
To Next Page IconTo Next Page
To Previous Page IconTo Previous Page
To Previous Page IconTo Previous Page
Loading...
SANTOS : Handleiding met betrekking tot gebruik en onderhoud
98101 NL 3.2 - 10 2010 11 / 19 www.santos.fr
Elektrisch schema 220-240V 50Hz, Modellen N°1 en N°1PS
4
3
2
Relais de
démarrage
Marron
M
Noir
Blanc
~
Marche/Arrêt
Blanc
Blanc
Blanc
Blanc
0
Condensateur
U<
P2
3
P1
4
408001-12 nl ma 2010.10 11/19

Table of Contents

Related product manuals