EasyManua.ls Logo

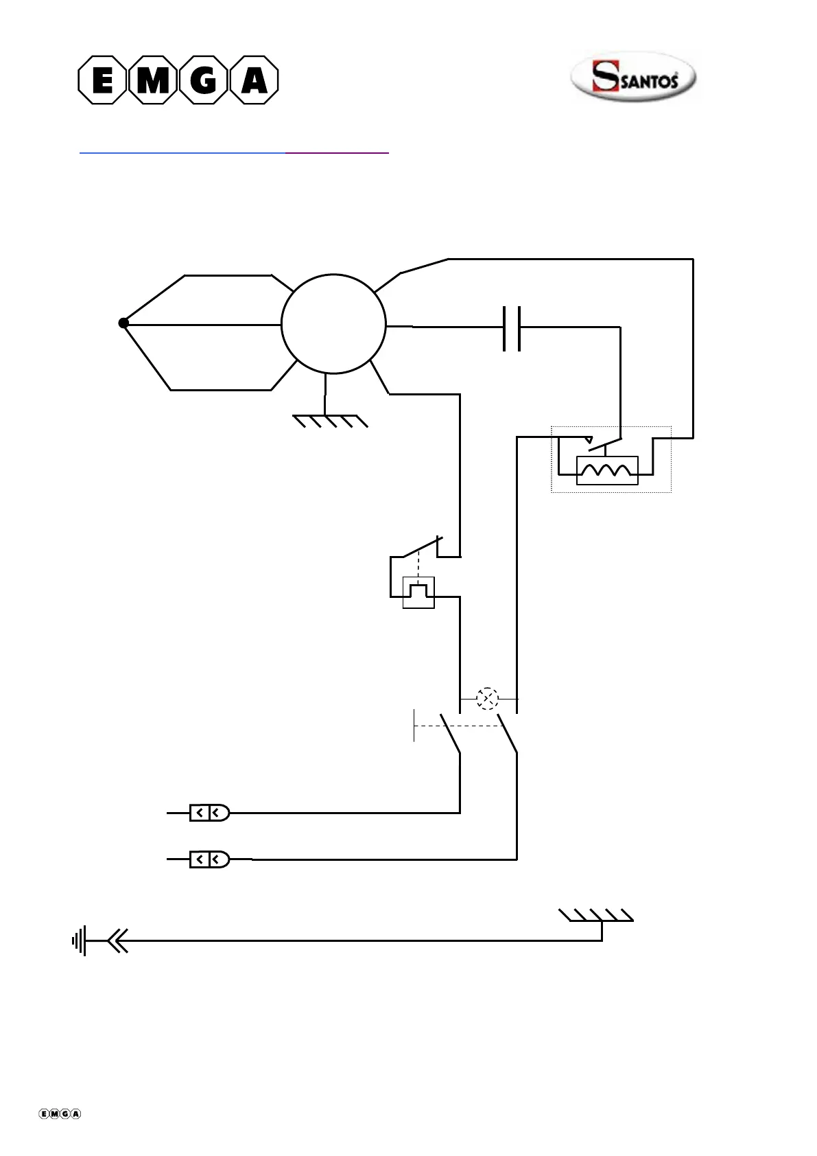
Santos 01 - Schaltplan 220-240 V 50 Hz, Modell Nr. 4

Santos 01
Print Icon
To Next Page IconTo Next Page
To Next Page IconTo Next Page
To Previous Page IconTo Previous Page
To Previous Page IconTo Previous Page
Loading...
98101 DE 3.2 - 10 2010 16 / 20 www.santos.fr
Schaltplan 220-240V 60Hz, Modell Nr. 4
~
Ein/Aus
Weiß
Weiß
Thermo-
Schutzschalte
r
Weiß
Weiß
Schwarz
4
3
2
Startrelais
Blau
Weiß
Weiß
Kondensator
Gelb
Weiß
Noir
Braun
Rot
M
Grün/Gelb
408001-12 de ma 2010.10 16/20

Table of Contents

Related product manuals