EasyManua.ls Logo

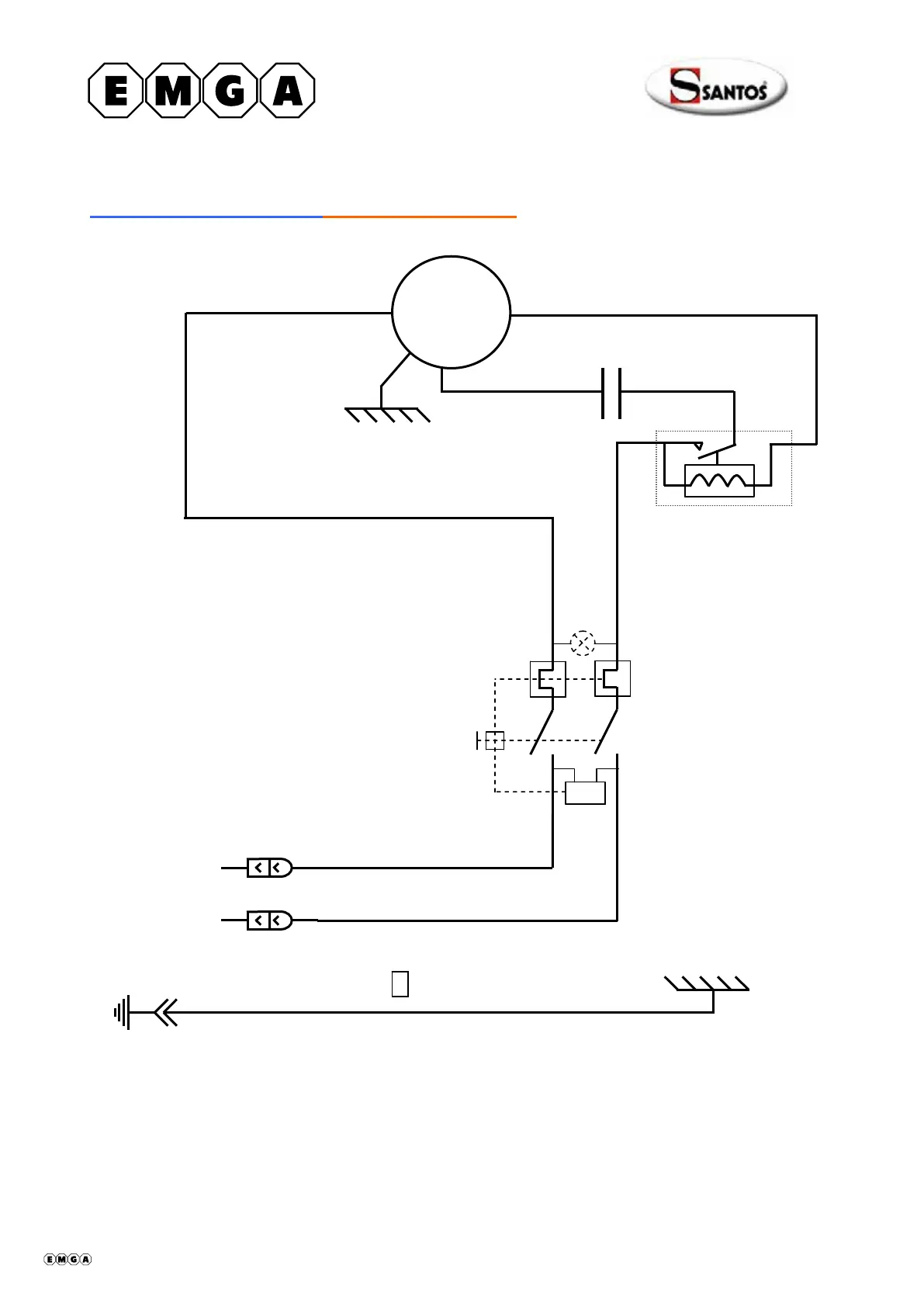
Santos 01 - Schaltplan 220-240 V 50 Hz, Modell Nr. 1, Nr. 1 PS

Santos 01
Print Icon
To Next Page IconTo Next Page
To Next Page IconTo Next Page
To Previous Page IconTo Previous Page
To Previous Page IconTo Previous Page
Loading...
98101 DE 3.2 - 10 2010 12 / 20 www.santos.fr
Schaltplan 220-240V 50Hz, Modell Nr. 1, Nr. 1PS
4
3
2
Relais de
démarrage
Marron
M
Noir
Blanc
~
Marche/Arrêt
Blanc
Blanc
Blanc
Blanc
0
Condensateur
U<
P2
3
P1
4
408001-12 de ma 2010.10 12/20

Table of Contents

Related product manuals