EasyManua.ls Logo

Santos 01 - Elektrisch Schema 110-120 V 50;60 Hz, Modellen N°1 en N°1 PS; Elektrisch Schema 220-240 V 60 Hz, Modellen N°1 en N°1 PS

Santos 01
Print Icon
To Next Page IconTo Next Page
To Next Page IconTo Next Page
To Previous Page IconTo Previous Page
To Previous Page IconTo Previous Page
Loading...
SANTOS : Handleiding met betrekking tot gebruik en onderhoud
98101 NL 3.2 - 10 2010 12 / 19 www.santos.fr
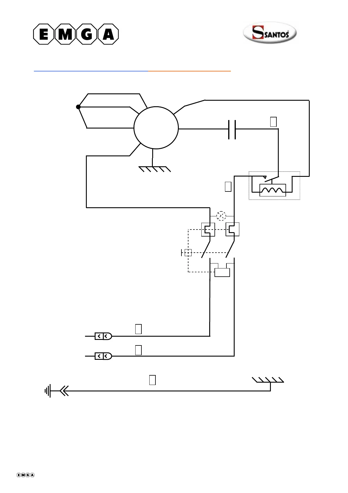
Elektrisch schema 220-240V 60Hz, Modellen N°1 en N°1PS
4
3
2
Relais de
démarrage
Bleu
~
Marche/Arrêt
Blanc
Blanc
Blanc
9
Condensateur
M
Jaune
Marron
Noir
Blanc
Rouge
Blanc
Noir
U<
P2
3
P1
4
Blanc
Vert / jaune
1
1
1
1
408001-12 nl ma 2010.10 12/19

Table of Contents

Related product manuals