EasyManua.ls Logo

Santos 62 - Elektrisch Schema 110-120 V 50;60 Hz en 220-240 V 50;60 Hz

Santos 62
Print Icon
To Next Page IconTo Next Page
To Next Page IconTo Next Page
To Previous Page IconTo Previous Page
To Previous Page IconTo Previous Page
Loading...
98162 NL 1.3 - 12 2010 19 / 23 www.santos.fr
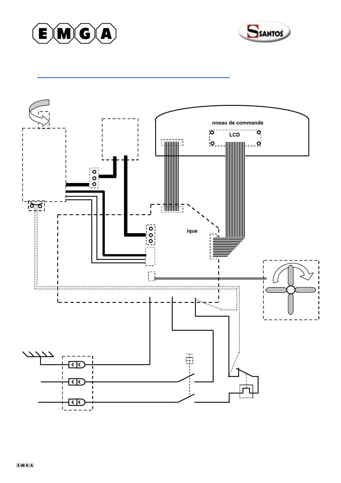
Elektrisch schema 110-120V 50/60Hz en 220-240V 50/60Hz
Protecteur
A
mpéremétriqu
e
Noi
r
~
Noir
Moteur
Blanc
Blanc
Vert / jaune
Noir
Blanc
Noir
Panneau de commande
LCD
Faisceau
Clavier
Carte
électronique
2
4
5
1
Marche / Arrêt
Rouge
Vert / jaune
Bleu
Marron
N
G
L
Blanc
V
entilateu
r
(option)
P9
P2
Noir
Filtre
moteur
Th
(option)
408062 nl ma 2010.01 19/23

Table of Contents

Related product manuals