EasyManua.ls Logo

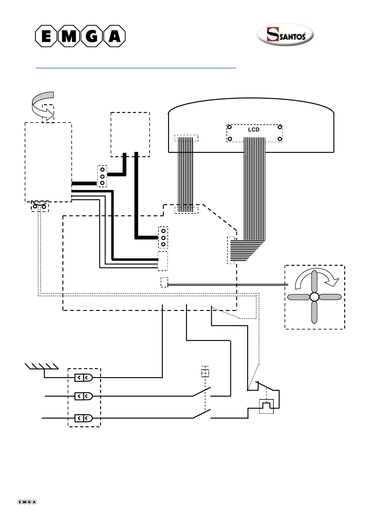
Santos 62 - Wiring Diagram 110-120 V 50;60 Hz and 220-240 V 50;60 Hz

Santos 62
Print Icon
To Next Page IconTo Next Page
To Next Page IconTo Next Page
To Previous Page IconTo Previous Page
To Previous Page IconTo Previous Page
Loading...
98162 EN 1.3 - 01 2010 19 / 23 www.santos.fr
Wiring diagram 110-120V 50/60Hz and 220-240V 50/60Hz
A
mmeter
p
rotection
Black
~
Black
Motor
White
White
Green / yellow
Black
White
Black
Control panel
LCD
Bundle
Keys
Electronic
card
2
4
5
1
On /Off
Red
Green / yellow
Blue
Brown
N
G
L
Blanc
Fan
(option)
P9
P2
Black
Moto
r
filter
Th
(option)
408062 en ma 2010.01 19/23

Table of Contents

Related product manuals