EasyManua.ls Logo

Sanwa MX-3X - Li-Po;Li-Fe Battery Warnings; Receiver Connections and Mounting

Sanwa MX-3X
56 pages
Print Icon
To Next Page IconTo Next Page
To Next Page IconTo Next Page
To Previous Page IconTo Previous Page
To Previous Page IconTo Previous Page
Loading...
Page 11
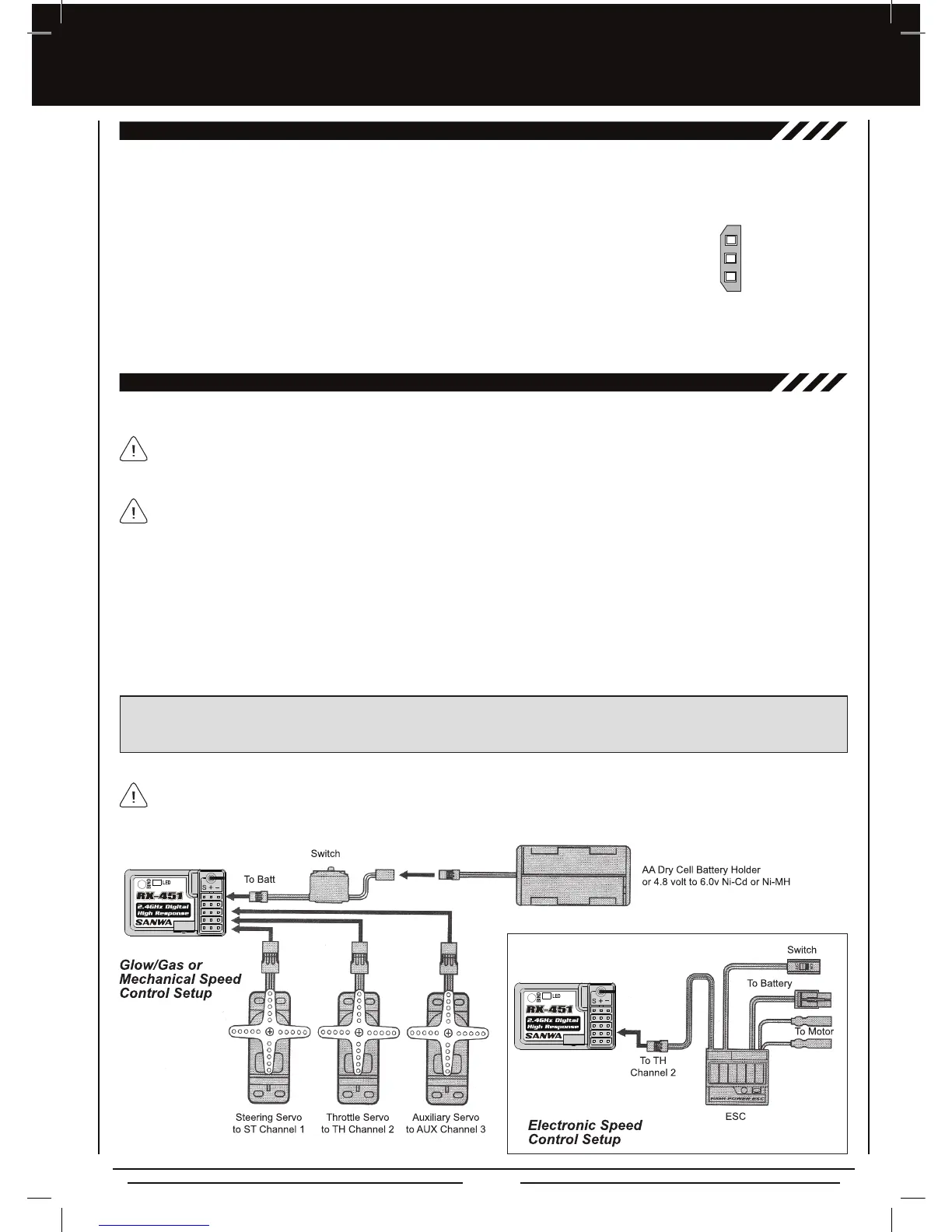
We suggest Binding the transmitter and receiver, and setting the Throttle Fail Safe position, prior to mounting your receiver in
your model.
The receiver should be mounted as far away from any electrical components as possible.
Route the receiver antenna up through a plastic tube so that it is in the vertical position.
To protect the receiver from vibration and other damage, we recommend wrapping the receiver in shock absorbing foam when
installing it in your model.
WARNING The receiver is NOT equipped with BEC circuitry. DO NOT use a receiver battery any greater than 6.0 volts to
power the receiver. Use only a 4.8 volt to 6.0 volt receiver battery, an ESC with a BEC circuit that lowers the voltage to the
receiver, or a voltage regulator that lowers the voltage to the receiver.
Set your model on a stand so the wheels are off the ground before turning on your radio control system or connecting
Use ONLY a 2 Cell Li-Po or Li-Fe battery pack of desired capacity. DO NOT USE A 3 CELL LI-PO OR LI-FE BATTERY PACK
or the transmitter will be damaged.
Do NOT charge your battery through the transmitter using the Charging Jack. The battery be removed from the
transmitter for charging or the transmitter could be damaged.
When changing the connector on your battery to match the battery power plug in the base of the
transmitter, please observe correct polarity. Connecting with reverse polarity will damage the
transmitter.
Observe all safety precautions provided with your Li-Po or Li-Fe battery before and during use, and during the charging process.
Damage to the transmitter caused by improper use, wrong battery type, or reverse polarity will not be covered under warranty.
- = Negative (Black)
+ = Positive (Red)
Use the diagram below to make the connections to your RX451 2.4GHz FHSS-3 receiver included with your radio control system.
The RX451 receiver's Nominal Input Voltage is 4.8v ~ 6.0v. A 2 cell Li-Po or 2 cell Li-Fe battery can be used to power the
receiver, however, a voltage regulator MUST be used. We recommend a switching type voltage regulator and it must be
able to handle the amperage demands of the servos used in your model.
If you're using an Electronic Speed Control with BEC circuitry, verify that it reduces the voltage down to 4.8v ~ 6.0v before
making your connections and turning your radio control system ON.
TX AND RX OPTIONS AND CONNECTIONS
WARNINGS IF USING A LI-PO OR LI-FE TRANSMITTER BATTERY
Use a charger specifically designed to charge Li-Po or Li-Fe batteries.
RECEIVER CONNECTIONS AND MOUNTING
your moter for the first time.
MUST

Related product manuals