EasyManua.ls Logo

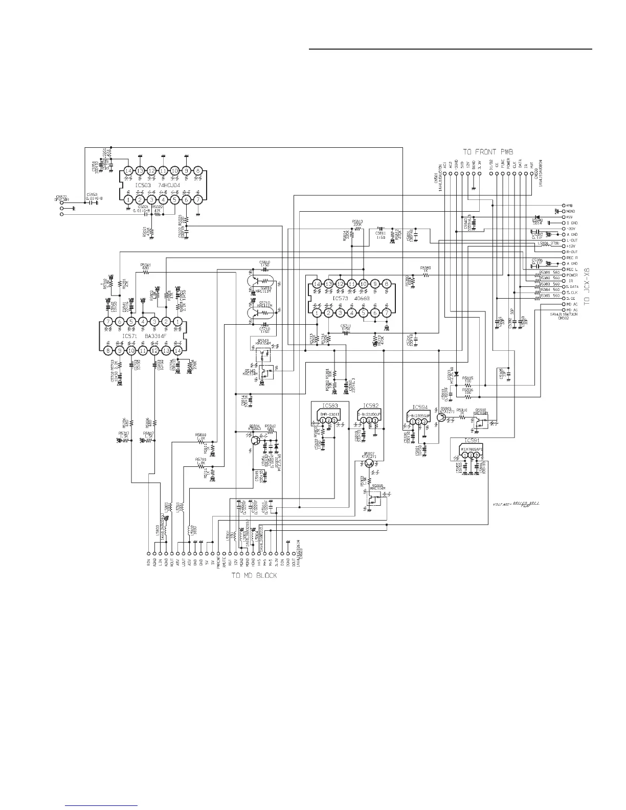
Sanyo DC-088C - Schematic Diagram: Power Supply Circuitry

Sanyo DC-088C
66 pages
To Next Page IconTo Next Page
To Next Page IconTo Next Page
To Previous Page IconTo Previous Page
To Previous Page IconTo Previous Page
Loading...
- 74 -
SCHEMATIC DIAGRAM (POWER SUPPLY)
This is a basic schematic diagram.

Related product manuals