EasyManua.ls Logo

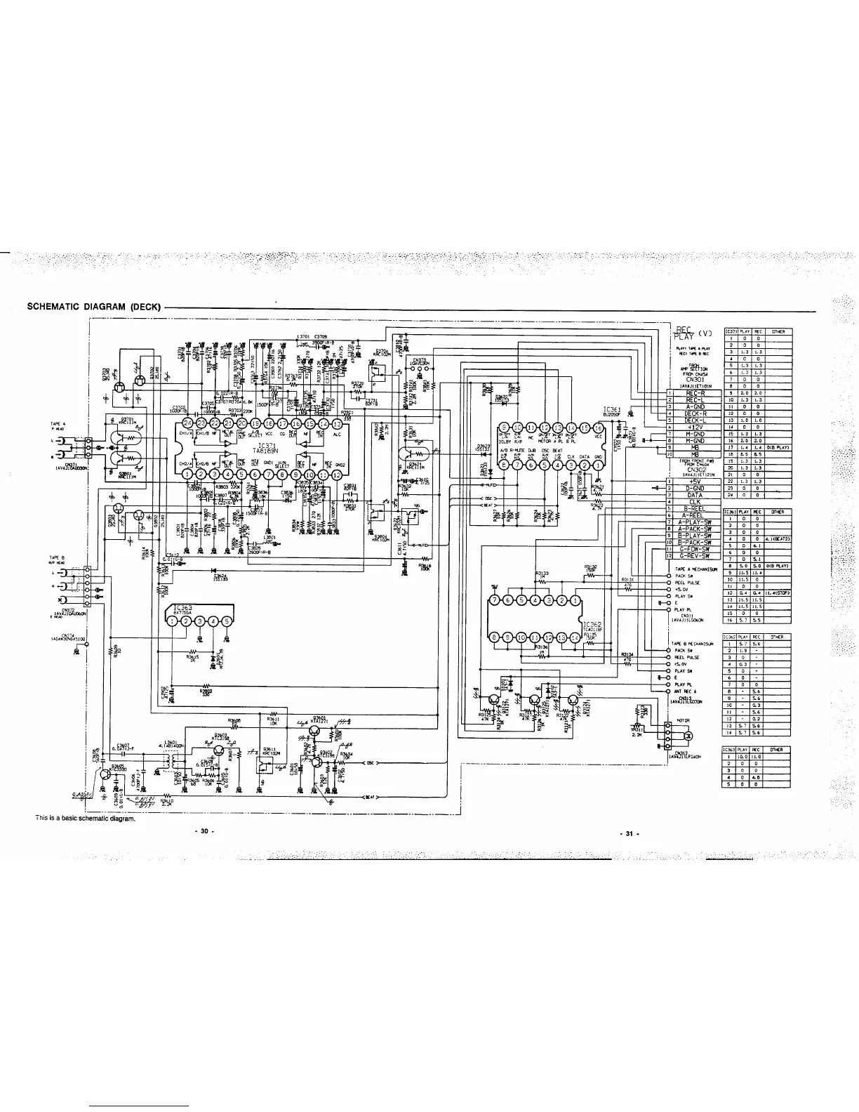
Sanyo DC-C70 - Deck Section Schematics

Sanyo DC-C70
39 pages
Print Icon
To Next Page IconTo Next Page
To Next Page IconTo Next Page
To Previous Page IconTo Previous Page
To Previous Page IconTo Previous Page
Loading...
~=li~i
idw
.
......
..—
4
.’
.
$
.
I
is=
B
I 1
1
,
1>
1
I
~1
L
I
—..
Ill /.. I I I
r , r
II %5F---Hl-t-Q-QQ-t I r“ll-x? Y--

Related product manuals