EasyManua.ls Logo

Sanyo DC-C70 - Wiring Connection

Sanyo DC-C70
39 pages
Print Icon
To Next Page IconTo Next Page
To Next Page IconTo Next Page
To Previous Page IconTo Previous Page
To Previous Page IconTo Previous Page
Loading...
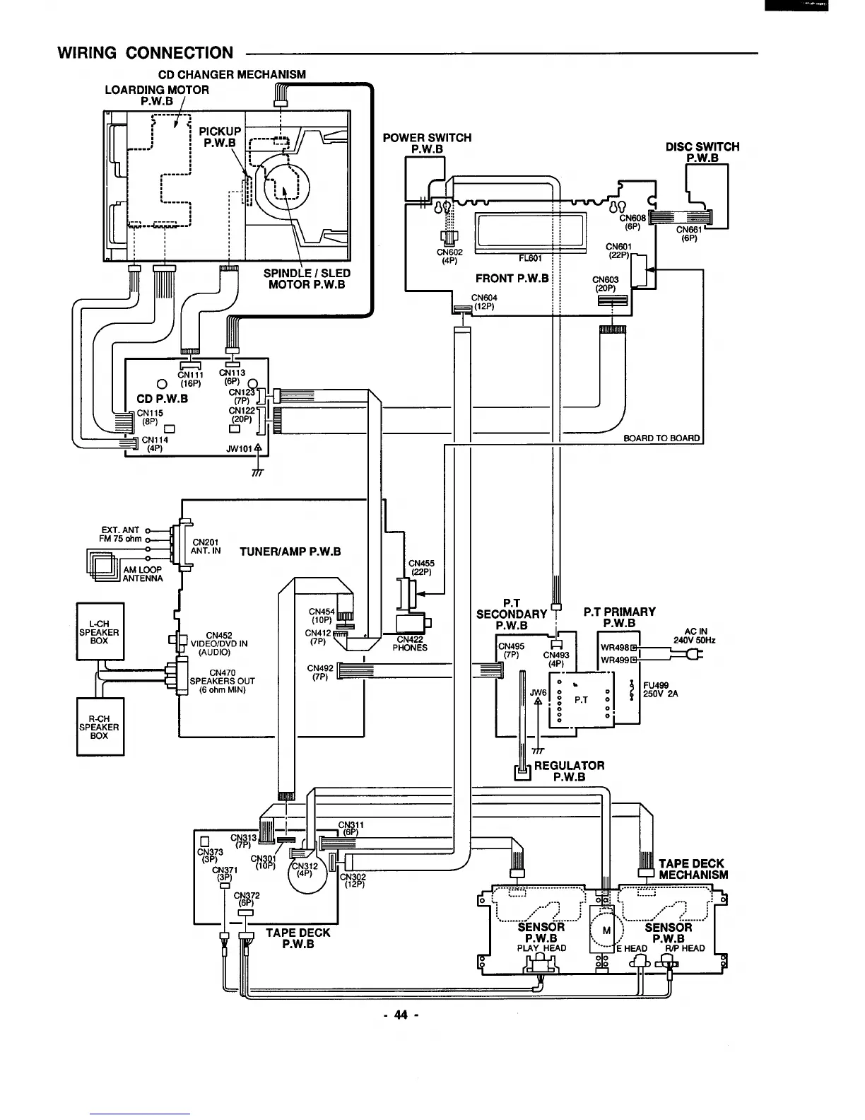
WIRING CONNECTION
CD CHANGER MECHANISM
TJT
E+
EXT. ANT
FM 75&m
CN201
ANT. IN
TUNEFVAMP P.W.B
AM LOOP
ANTENNA
J
L-CH
c
SP~EA~ER
CN452
VIDEO/DVDIN
(AUDIO)
CN470
SPEAKERSOUT
(6
ohm MIN)
R-CH
SP~o;ER
.
/
l’”
——
CN454
(1OP)
c(%J2y
)5
;N&5;
CN422
PHONES
I
CN492
(7P)
SECOPN}ARY
P.W.B
DISC SWITCH
P.W.B
BOARD TO BOARD
Ill
Jr
u‘E%hAJOR
lFI)
I
-(g)
....... ..........................
.--..--------------------------------
-44-

Related product manuals