EasyManua.ls Logo

Sanyo expert TP-1012 - SCHEMATIC DIAGRAM; WIRING DIAGRAM

Sanyo expert TP-1012
9 pages
Print Icon
To Next Page IconTo Next Page
To Next Page IconTo Next Page
To Previous Page IconTo Previous Page
To Previous Page IconTo Previous Page
Loading...
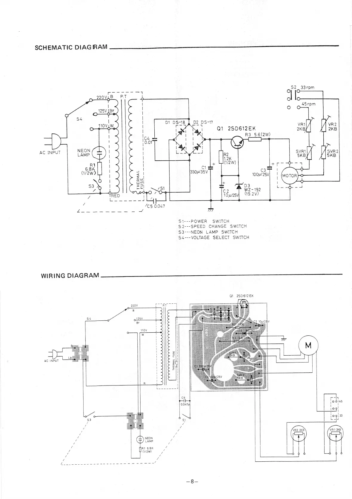
SCHEMATIC
DIAGRAM
Di
DS-18
|
D2
Bol
et
Sake
|
Qi
2SD61Z2EK
R3
5.6(2W)
OSE
won
AC
INPUT
|
|
=
:
C3
=
|
1OOH/25V
or
WwW
ty
|
|
be
451
a
PRED
/
Cg
|
/
Lecaciwte
eek
assess
a
4
/C5
0.047
Seana
8,
eet
See
aan
od
ae
ee
fee,
ae
Siees
POWER:
SWilcr
S$
2---SPEED
CHANGE
SWITCH
S3---NEON
LAMP
SWITCH
$4---VOLTIAGE
SELECT
SWITCH
WIRING
DIAGRAM
__________—————————————
Ql
2SD612EK
THERMAL
FUSE
7]
{
>
mn
<
r
{
iL

Related product manuals