EasyManua.ls Logo

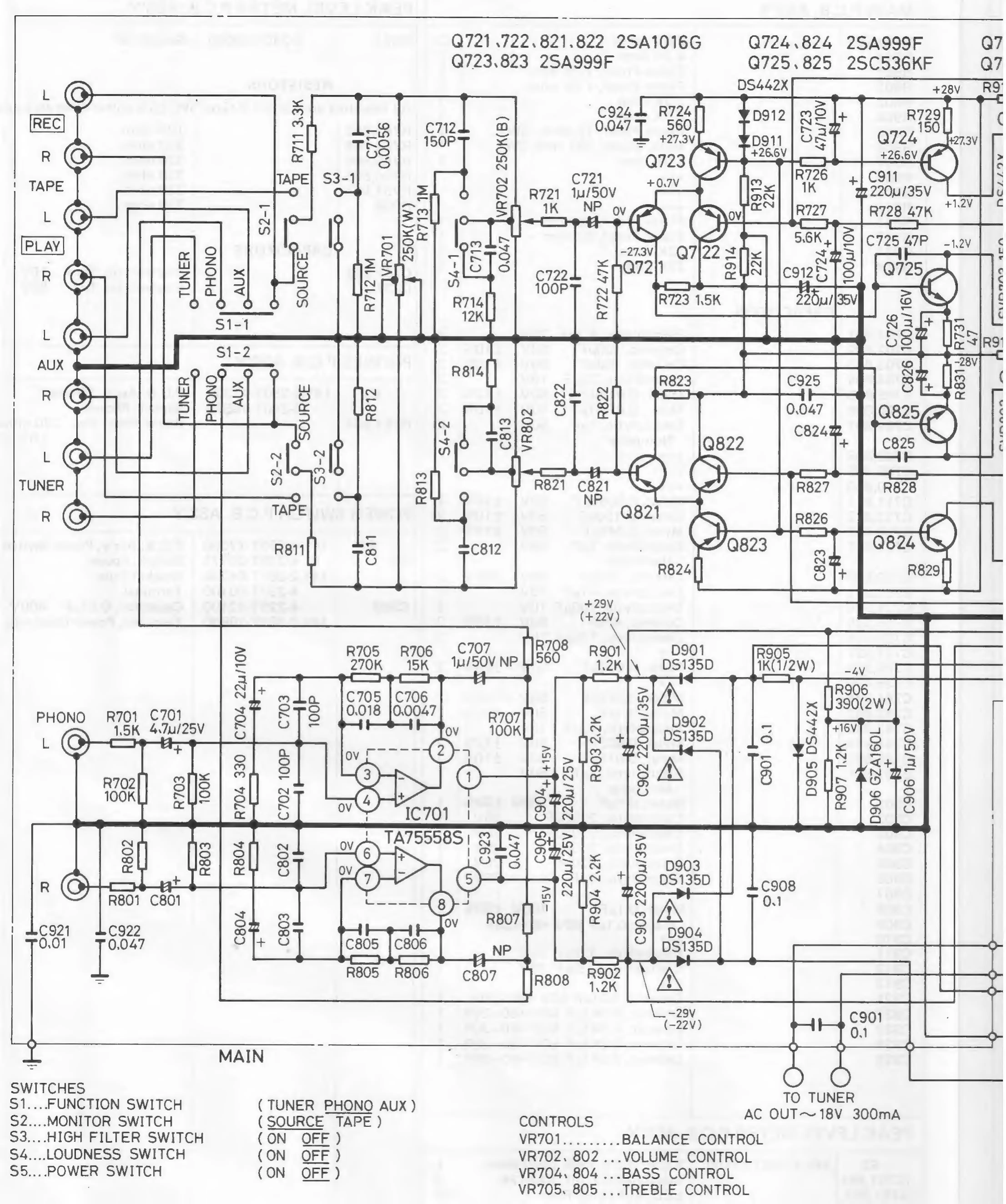
Sanyo JA20 - Main Circuit Overview; Switch Functions; Control Functions

Sanyo JA20
8 pages
Print Icon
To Next Page IconTo Next Page
To Next Page IconTo Next Page
To Previous Page IconTo Previous Page
To Previous Page IconTo Previous Page
Loading...
PHONO
pr
C701
БК
47u/25V
L
=i
Ay
R702
ens
sli
ss
N
e
К
|
UE
R
(CQ
E
At
©
R801
C801
C921
C922
б
.01
pw
psi
=
|
>
U
m
R704
330
|C704
22u/10V
R804
Q721
722.821.822
2SA1016G
0724.824
2SA999F
Q7
Q723.823
2SA999F
Q725.825
2SC536KF
Q7
DS442X
428(
RS
x
с)
e
=|
Ti
m
=
<
=
SS
©
S3-1
сч
© ©
e
=
=
ES
chil
40
О
O
Q
+
2
о
R724
560
+27.3V
|
C924
0.047
js
С721
R721
1u/50V
ncz^725»v
=
R903
2.2K
220u125V
R904
2.2K
-wv|
C905
220u/25V
L...
SW
51.
S2...
ЭЗ...
S4....
SS...
ITCHES
...FUNCTION
SWITCH
.MONITOR
SWITCH
.HIGH
FILTER
SWITCH
LOUDNESS
SWITCH
.POWER
SWITCH
MAIN
(
TUNER
PHONO
AUX
)
(SOURCE
TAPE
)
(
ON
(
ON
(
ON
TO
TUNER
AC
OUT~
18V
300mA
CONTROLS
BALANCE
CONTROL
VR702.
802
...
VOLUME
CONTROL
VR704.
804
...BASS
CONTROL
VR705,
805
...TREBLE
CONTROL

Related product manuals