EasyManua.ls Logo

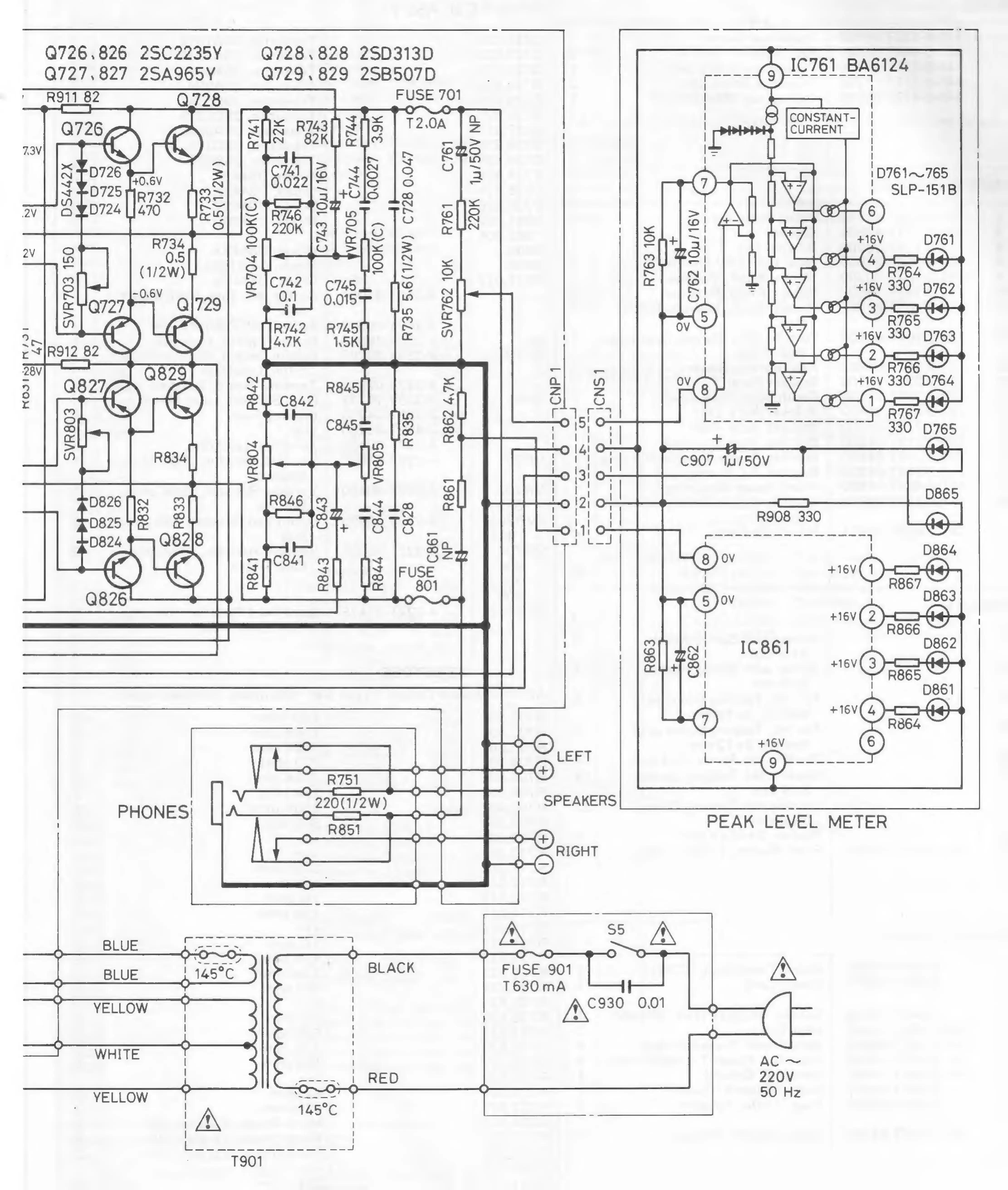
Sanyo JA20 - Circuit Diagrams and Connections; Peak Level Meter Circuitry; Power Supply and AC Input

Sanyo JA20
8 pages
Print Icon
To Next Page IconTo Next Page
To Next Page IconTo Next Page
To Previous Page IconTo Previous Page
To Previous Page IconTo Previous Page
Loading...
9726.826
2SC2235Y
Q728.828
2SD313D
9727.827
2SA965Y
9729.829
25B507D
9911
82
Q728
FUSE
701
О
O
T2.0A
73V
D761—765
R761
R763
10K
R735
5.6(1/2W)
C728
0.047
SVR762
10K
(12
S|R912
82
SS
É)
|]
ape
m
jaka
Jajah
|
Q82
R766
“7
416v
330
D764
(1)
349
A
yc
9
0
PLI
чл!”
R767
330
D765
C907
1u/50V
R908
330
R862
47K
g
со
D
л
R861
FE
Ф
Ф)
ЫС
О
р
в
у
gaya
Di
г
і
о
|
tp
cpm
t
my
©
o
= =
4
o
аб.
20.
al
D
zd
c
о
Co
DS
D
e
Co
BR
16V
he)
L|
|
P
866
S.
j
о
|
1С861
ij
|
£28
|
+16V
NGGE
T
|
D861
9548
r
(7)
nce
е
-
16V
|
e)
EFT
DNE
(9)
ETE.
TENDER
LL
220072W)
J
[|
|
SPEAKERS
А
РНОМЕ5
|
of
50
|
epee
Tol]
We
PEAK
LEVEL
METER
used
nis
O
:
>
©
——
EN
Xx
145°C
FUSE
901
T630mA
YELLOW
YELLOW

Related product manuals