EasyManua.ls Logo

Sanyo TP 477 - Mechanism and Arm Parts; Exploded Views of Mechanism

Sanyo TP 477
8 pages
Print Icon
To Next Page IconTo Next Page
To Next Page IconTo Next Page
To Previous Page IconTo Previous Page
To Previous Page IconTo Previous Page
Loading...
PARTS
LIST
&
EXPLODED
VIEW
(ARM)
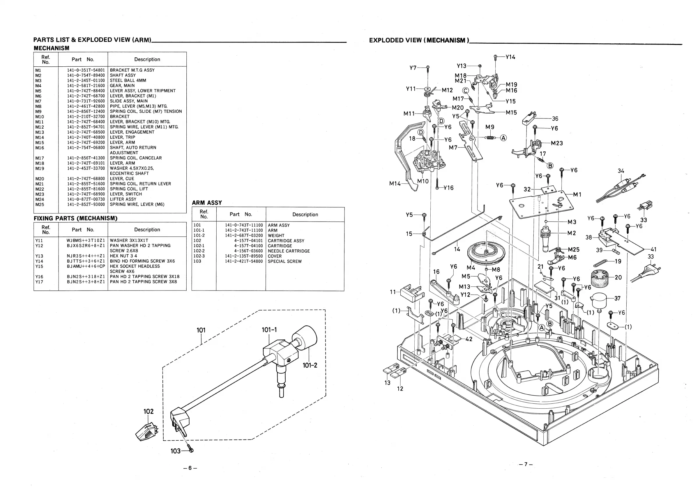
MECHANISM
Ref.
aa
141-0-351T-54801
|
BRACKET
M.T.G
ASSY
141-0-754T-89400
|
SHAFT
ASSY
141-2-345T-01100
|
STEEL
BALL
4MM
141-2-581T-21600
|
GEAR,
MAIN
141-0-742T-88400
|
LEVER
ASSY,
LOWER
TRIPMENT
141-2-—742T-68700
|
LEVER,
BRACKET
(M1)
141-0-731T—92600
|
SLIDE
ASSY,
MAIN
141-2-461T-—42800
|
PIPE,
LEVER
(M5,M13)
MTG.
141-2-856T-—12400
|
SPRING
COIL,
SLIDE
(M7)
TENSION
141-2-210T-32700
|
BRACKET
:
141-2-742T-68400
|
LEVER,
BRACKET
(M10)
MTG.
141-2-852T-94701
|
SPRING
WIRE,
LEVER
(M11)
MTG.
141-2-742T-—68500
|
LEVER,
ENGAGEMENT
141-2-740T-—40800
|
LEVER,
TRIP
141-2-—742T-—69200
|
LEVER,
ARM
141-2—754T—06800
|
SHAFT,
AUTO
RETURN
ADJUSTMENT
141-2—856T-41300
|
SPRING
COIL,
CANCELAR
141-2-742T-69101
|
LEVER,
ARM
141-2-—453T-33700
|
WASHER
4.5X7X0.25,
ECCENTRIC
SHAFT
141-2-742T-—68800
|
LEVER,
CUE
141-2-855T-51600
|
SPRING
COIL,
RETURN
LEVER
141-2-855T—81600
|
SPRING
COIL,
LIFT
141-2-—742T-68900
|
LEVER,
SWITCH
141-0-872T—00730
|
LIFTER
ASSY
141-2-852T-93000
|
SPRING
WIRE,
LEVER
(M6)
WJBWS++3T10Z1
|
WASHER
3X13X1T
BJX6S2R6+8+Z1
|
PAN
WASHER
HD
2
TAPPING
SCREW
2.6X8
NJR3S++4+++Z1
|
HEX
NUT
3 4
|
BJTTS++3+6+Z1
|
BIND
HD
FORMING
SCREW
3X6
BJAMU++4+6+CP
|
HEX
SOCKET
HEADLESS
SCREW
4X6
BJN2S++318+Z1
|
PAN
HD
2
TAPPING
SCREW
3X18
BJN2S++3+8+Z1
|
PAN
HD
2
TAPPING
SCREW
3X8
102
ARM
ASSY
141-0-743T-11100
|
ARM
ASSY
141-2-743T-11100
|
ARM
141—2-687T-03200
|
WEIGHT
4—157T-04101
|
CARTRIDGE
ASSY
4—157T-04100
|
CARTRIDGE
4—156T—-03600
|
NEEDLE
CARTRIDGE
141-2-135T-—89500
|
COVER
141—2-421T-54800
|
SPECIAL
SCREW
I
a
eer
Pa
aay
EEN
OO
ee
Tans
rae
enn
PN
Pe
aT
EXPLODED
VIEW
(MECHANISM
)
Q
enn
0
Pe
—-Y6

Related product manuals