EasyManua.ls Logo

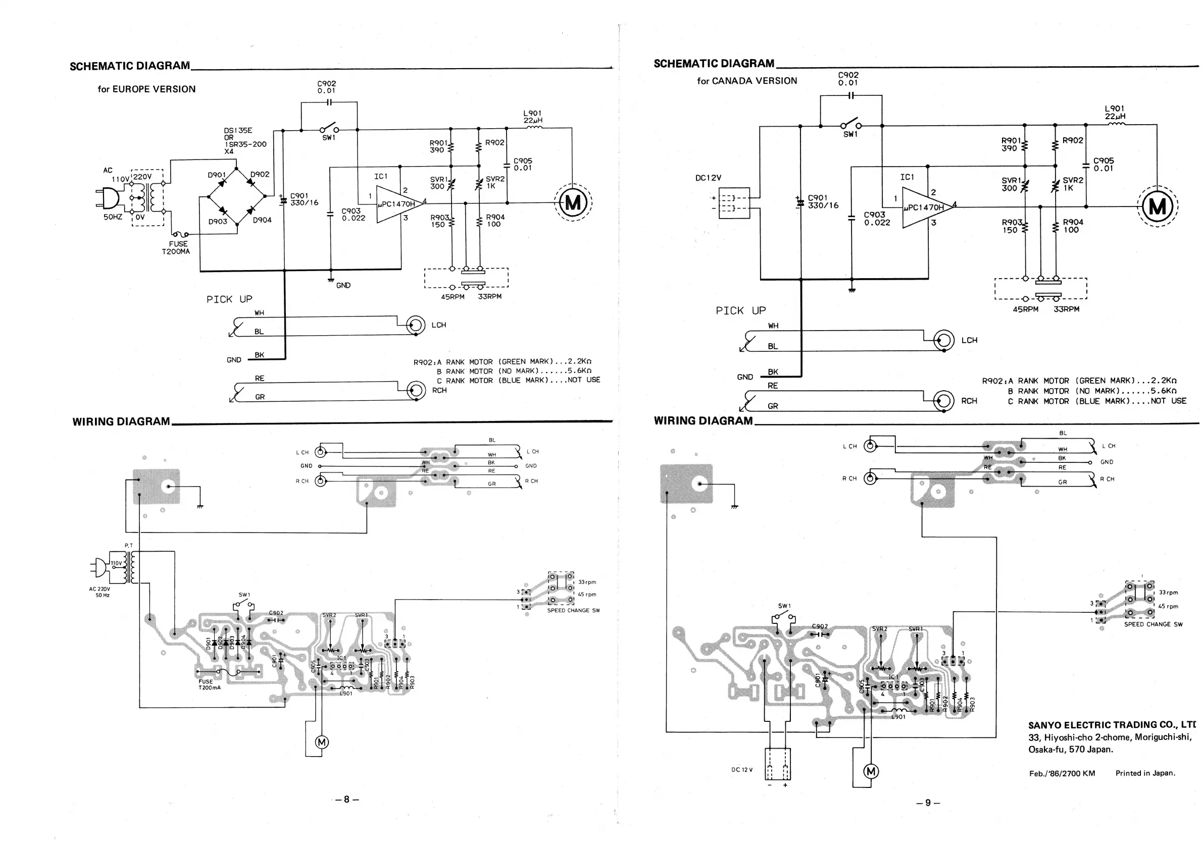
Sanyo TP 477 - Schematic and Wiring Diagrams; Schematic Diagram for Europe Version; Schematic Diagram for Canada Version; Wiring Diagram

Sanyo TP 477
8 pages
Print Icon
To Previous Page IconTo Previous Page
To Previous Page IconTo Previous Page
Loading...
SCHEMATIC
DIAGRAM
for
EUROPE
VERSION
ee
DS135E
0
OR
Swi
1SR35-200
X4
5OHZ
,
OV
|
bam
ee
we
C901
SS
230/16
|
M
C903
\-
/
0.022
3
RIO,
L
R904
,
150
100
=
FUSE
T2ZO0OMA
r----(}-
4)
(}—----4
ES
{
1
{
1
|
GND
eso
ao
cee
PICK
UP
A5RPM
33RPM
WH
cnp
—ot
|
R902:A
RANK
MOTOR
(GREEN
MARK)...2.2Kn
B
RANK
MOTOR
(NO
MARK)......
5.6Kn
y
RCH
WIRING
DIAGRAM
:
33
rpm
AC
220V
;
50
Hz
45
rpm
SPEED
CHANGE
SW
T
200
mA
B
*
ors
SCHEMATIC
DIAGRAM
|
,
for
CANADA
VERSION
er
L901
Z2uH
@
Swi
C901
|
S
330/16
|
:
0.022
3
R90
R904
‘ee’
150
100
=
prea
dp
Oatenw
nm
ms
l
.
]
] )
PICK
UP
45RPM
33RPM
WH
|
LH
GND
BK
RE
R902:A
RANK
MOTOR
(GREEN
MARK)...2.2Kn
:
B
RANK
MOTOR
(NO
MARK)......
5.6Kn
WIRING
DIAGRAM
BL
SPEED
CHANGE
SW
SANYO
ELECTRIC
TRADING
CO.,
LTI
33,
Hiyoshi-cho
2-chome,
Moriguchi-shi,
Osaka-fu,
570
Japan.
Feb./‘86/2700
KM
Printed
in
Japan.

Related product manuals