EasyManua.ls Logo

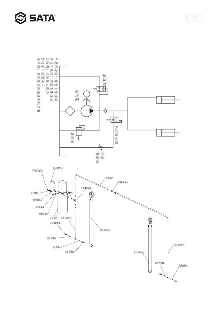
SATA AE5105 - 第七章 液压系统图及部件清单

Default Icon
40 pages
Print Icon
To Next Page IconTo Next Page
To Next Page IconTo Next Page
To Previous Page IconTo Previous Page
To Previous Page IconTo Previous Page
Loading...
AE5105/AE5105-3
15
中文
EN
第七章 液压系统图、油管接法图