EasyManua.ls Logo

SawStop CB31230 - Electrical Schematics; 230 V Single-Phase Schematic

SawStop CB31230
104 pages
Print Icon
To Next Page IconTo Next Page
To Next Page IconTo Next Page
To Previous Page IconTo Previous Page
To Previous Page IconTo Previous Page
Loading...
SawStop 10” Industrial Cabinet Saw 77
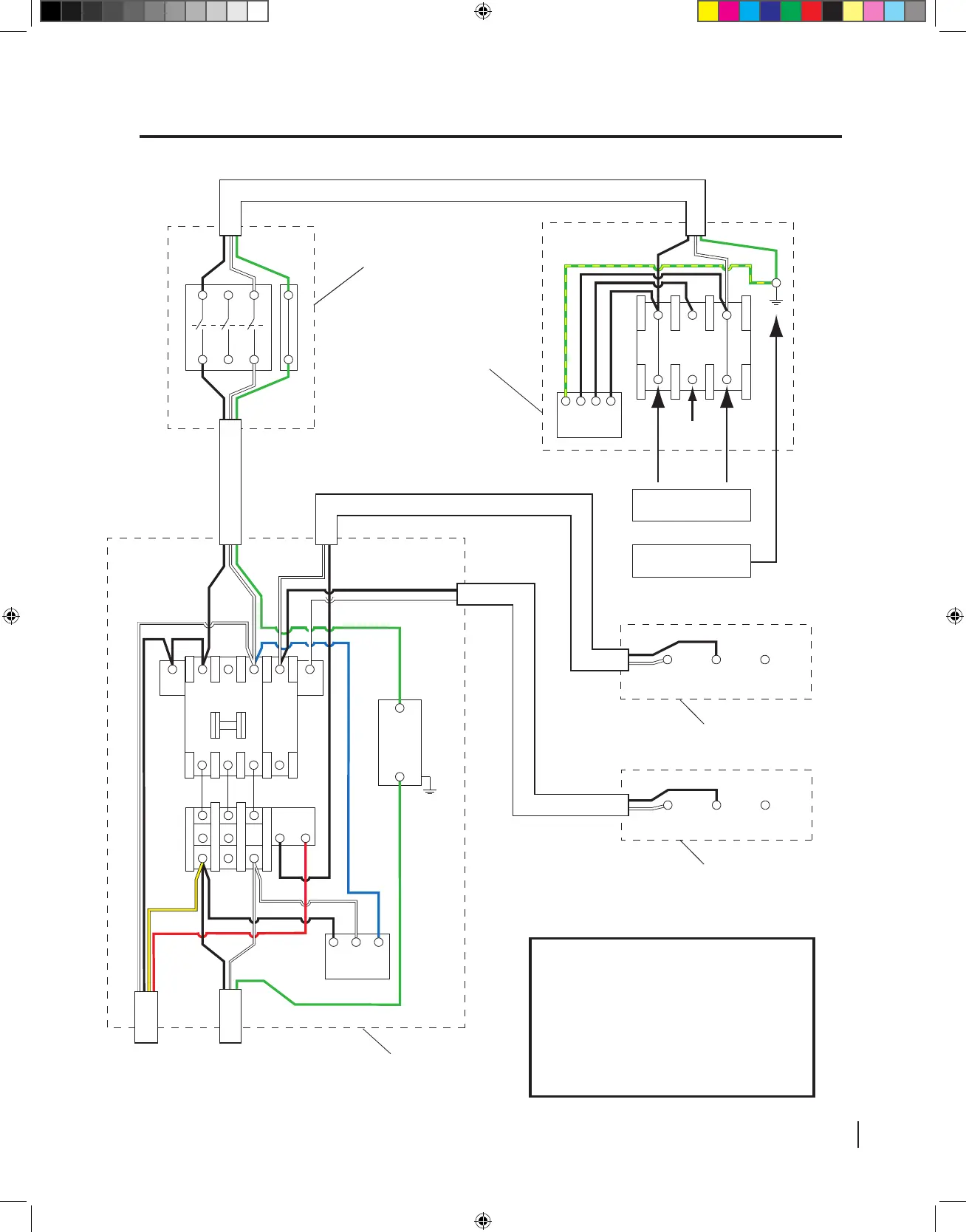
Electrical Schematic — 230V, Single-Phase (3 and 5 HP)
1L1 3L2
5L3
13NO
14NO
2T1 4T2 6T3
2T1 4T2 6T3
95 96
A2
COIL
A1
COIL
GROUND
PLATE
NOISE
FILTER
TO
MOTOR
TO
SWITCH BOX
MAGNETIC
CONTACTOR BOX
DISCONNECT
SWITCH
SURGE
SUPPRESSOR
CONNECT 208-240V
1-PHASE POWER HERE
CONNECT EQUIPMENT
GROUND HERE
TERMINAL BOX
NO N CCOM
NO NCCOM
MOTOR COVER
INTERLOCK SWITCH
DO NOT
USE*
*This saw does not require a neutral line.
SawStop recommends the use of a 3-wire cable or
conduit, with the black and white wires connected
to power and the green wire connected to a
grounded metal permanent wiring system or
equipment ground.
If a 4-wire cable or conduit with a neutral wire is
used, the neutral line should be capped with a wire
nut or connected to the unused center terminal.
BELT ACCESS DOOR
INTERLOCK SWITCH
Black
Green
Green
Green
Green
Red
White
White
White
White
White
Blue
Yellow
White
Black
Black
Black
Black
Black
Black
Green
Green / Yellow
Black
Black
White
Black
Black
Black
White
White
Black
White
Black
Black
White
97 98
Cabinet Saw Manual 1st Reprint.i77 77 3/9/2010 8:33:11 AM

Table of Contents

Related product manuals