EasyManua.ls Logo

SBM AMC 12 - Warm Air Heaters AMC 78 to 116

Default Icon
29 pages
Print Icon
To Next Page IconTo Next Page
To Next Page IconTo Next Page
To Previous Page IconTo Previous Page
To Previous Page IconTo Previous Page
Loading...
25
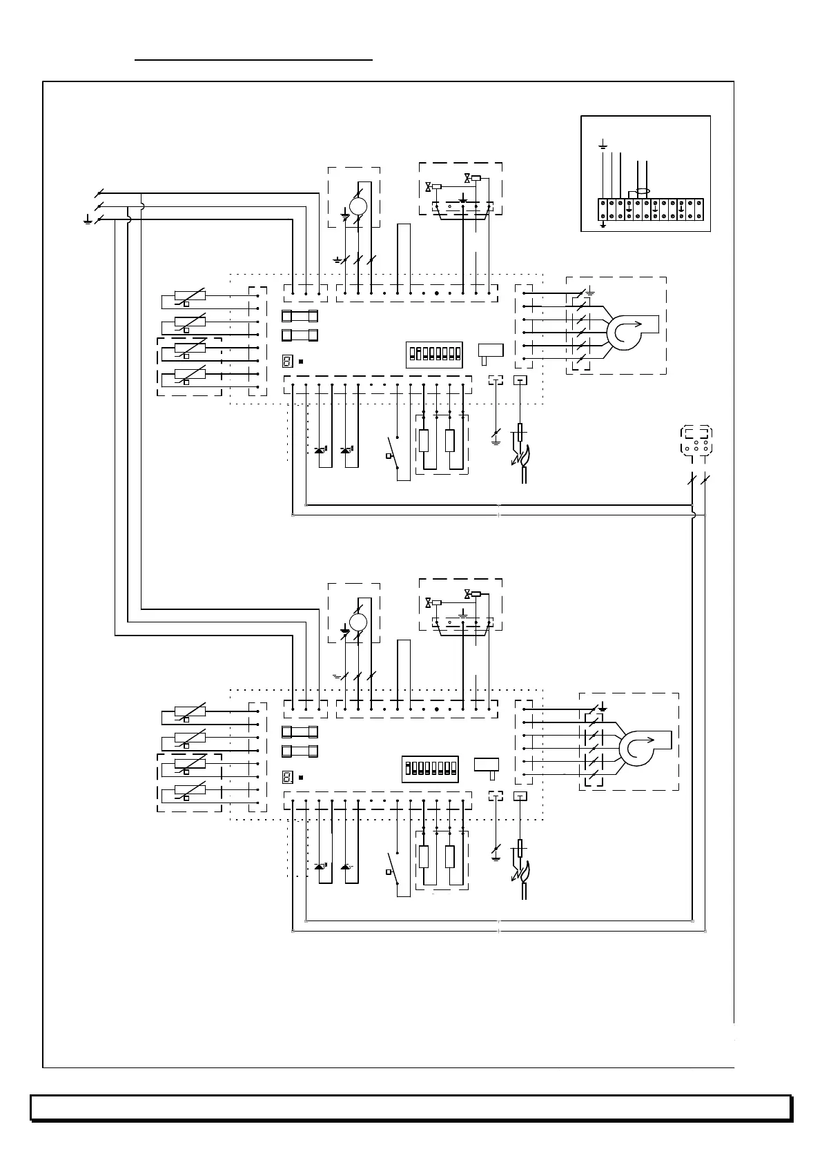
10.2 AMC 78 to 116 warm air heaters
Get: MW
Date: 07-2014
Auth:
Ver:a
Title:
Nr.:
R136
HR-series 80... 120
1 2 3 4 5 6 7 8
ON
10
S3
S2
N
L
1
2
3
1 2 3
J2
341 9 1 0 122 7
5
11 6
8
J4
1 2 3 4
1
2
3
4
5
6
1
5
4
2
3
M2.2
1
5
2
6
3
7
4
8
-T
20K@25°C
-T
20K@25°C
-T
20K@25°C
5 61211 13 144
7
M1.2
T2
J6
J12
J9
1 2 3 1098
Control unit 1
166HC
J7
F2
F1
2 x 5AT
R2 R3
2
5
4
1
-T
20K@25°C
-T
20K@25°C
flue / Abgas / fumée /
rookgas sensor
12 11
dP
1 2 3
J2
341 9 1 0 122 7
5
11
6
8
J4
1
2 3 4
1
2
3
4
5
6
1
5
4
2
3
M2.1
1
5
2
6
3
7
4
8
-T
20K@25°C
-T
20K@25°C
-T
20K@25°C
5 61211 13 144 7
M1.1
T2
J6
J12
J9
1 2 3 1098
Control unit 2
166HC
J7
F2
F1
2 x 5AT
R2 R3
25 4
1
-T
20K@25°C
-T
20K@25°C
13 14
dP
5
4
22°C
1 2 3 4 5 6 7 8
ON
10
S3
S2
1 2
5
43
L (230V AC)
22°C
12
11
13 14
FR
Sonde température
ambiante à l'aérotherme
LE D 1
rouge
(opt.)
LED 2
ve rt
(opt)
vert/jaune
bleu
marron
noir
vert / jaune
gris
rouge
vert\jaune
bleu
noir
blanc
jaune
orange
vert/jaune
bleu
noir
transparent
blanc
rouge
vert
protection thermique
de l'echangeur
Reconnaissance
de l'appareil
Ventilateur 2
vanne gas 2
Bruleur ventilateur
pressostat
LE D 1
rouge
(opt.)
LED 2
ve rt
(opt)
vert / jaune
bleu
marron
noir
vert / jaune
gris
rouge
vert / jaune
bleu
noir
blanc
jaune
orange
vert / jaune
bleu
noir
transparent
blanc
rouge
vert
Reconnaissance
de l'appareil
Ventilateur 1
vanne gas 1
Bruleur ventilateur
pressostat
Thermostat (bus)
Module 1: Position micro commutateur (S2) standard 1 sur
ON, et S3 sur 1.
Module 2: Position micro commutateur S2, 2 sur ON et S3
sur 0 (zéro)
En régulation centralisée
L'appareil 3 sur 8: position micro commutateur S2 sur 0
(zéro) et S3 sur 0 (zéro)
Neutaal
Thermostat (bus)
Installateur
mise à la terre
marron
marron
blanc
blanc
ve rt
jaune
flue / Abgas / fumée /
rookgas sensor
Sonde température
ambiante à l'aérotherme
protection thermique
de l'echangeur
marro n
marron
blanc
blanc
vert
jaune
Module 2
Module 1
To MULTITHERM
Shield
MULTITHERM
Burner fan 2
To connect by the installer
Gas valve 2
Main fan 2
Burner 2
Te
mperature sensor
of the main fan 2
T
emperature
sensors of the heat
exchanger 2
Temperature
sensor of the
exhaust gases 2
Control board
2
Setting of the micro switches S2 and S3 : see
paragraphs 9.1 and 9.2
Ionisation/ignition
electrode 2
Appliance
identification 2
Pressostat 2
Rearming button 2
Burner fan 1
Gas valve 1
Main fan 1
Burner 1
Temperature sensor
of the main fan 1
T
emperature
sensors of the heat
exchanger 1
Temperature
sensor of the
exhaust gases 1
Platine de contrôle 1
Appliance
identification 1
Pressure
switch 1
Rearming button 1
Ionisation/ignition
electrode 1
Control board
1
Blue
Maroon
White
Maroon
White
Green
Yellow
Maroon
Blue
Yellow/green
Yellow/green
Black
Blue
Blue
Black
Yellow/green
Black
Yellow/green
Blue
Maroon
Maroon
Wh
ite
Maroon
White
Green
Yellow
Yellow/green
Grey
Red
White
Yellow
Orange
Yellow/green
Grey
Red
White
Yellow
Orange
Red
Transparent
White
Green
Yellow/green
Black
Blue
Black
Black
Blue
Yellow/green

Related product manuals