EasyManua.ls Logo

SCANMASKIN MULTISTRIPPER - Page 55

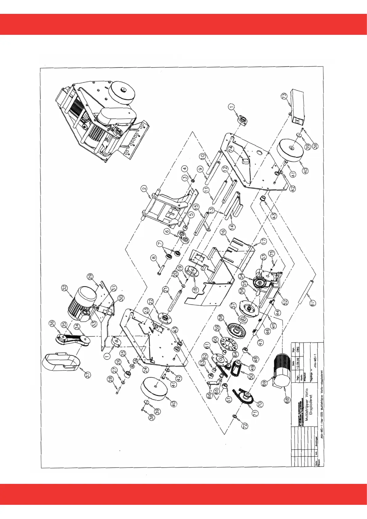
SCANMASKIN MULTISTRIPPER
62 pages
Print Icon
To Next Page IconTo Next Page
To Next Page IconTo Next Page
To Previous Page IconTo Previous Page
To Previous Page IconTo Previous Page
Loading...
ENGLISHMultistripper / Multistripper Vario
55
www.scanmaskin.com

Related product manuals