EasyManua.ls Logo

Schaudt EBL 241-2 Electroblock - Block Diagram;Wiring Diagram

Schaudt EBL 241-2 Electroblock
14 pages
Print Icon
To Next Page IconTo Next Page
To Next Page IconTo Next Page
To Previous Page IconTo Previous Page
To Previous Page IconTo Previous Page
Loading...
Instruction Manual for Electroblock EBL 241-2
13
Date: 16.07.2019
8110514 BA / EN
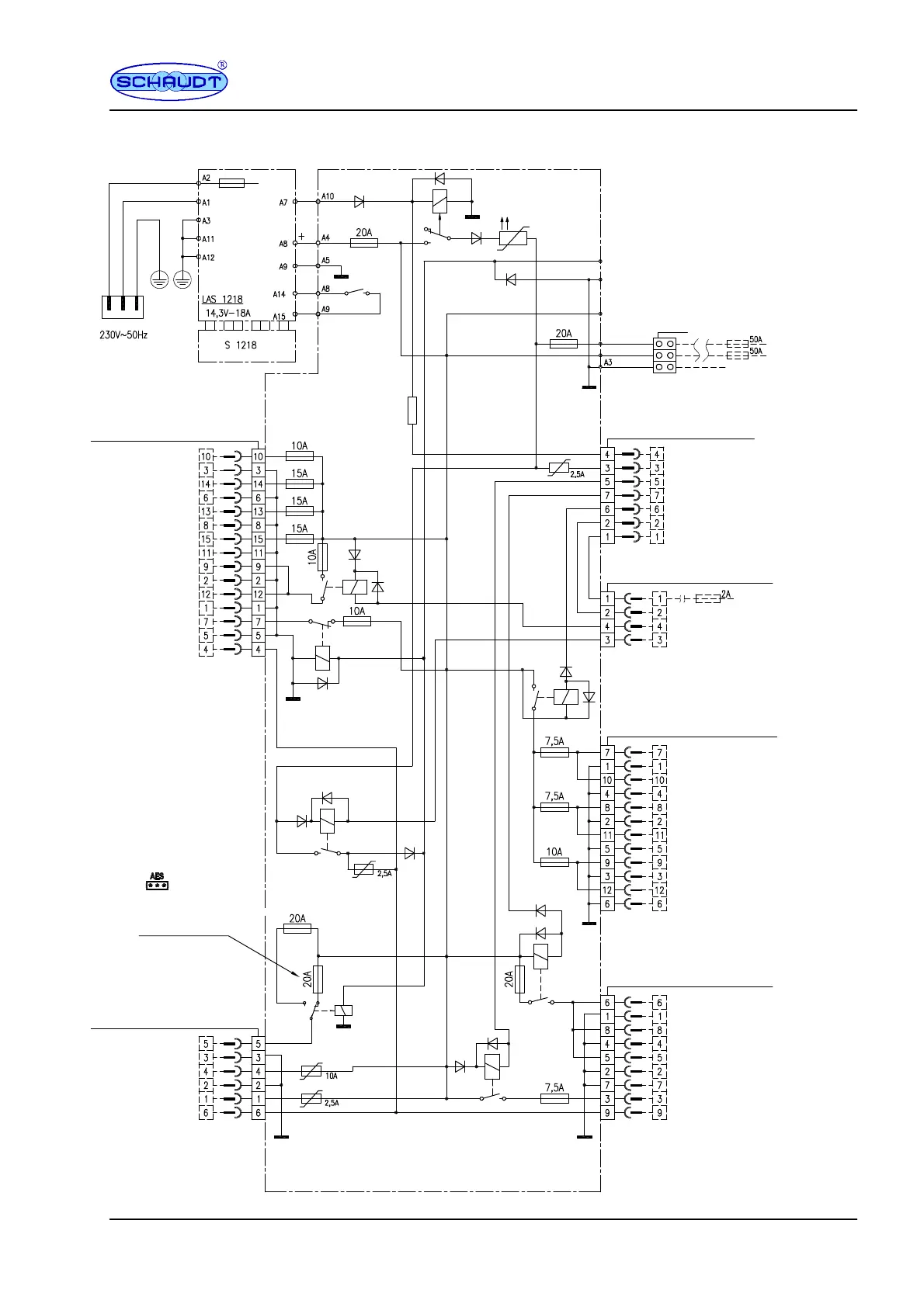
F Block diagram/wiring diagram
MNL connec tor socket 15F Block 3
+ Heater
-- Heater
+ Circuit 4
-- C i r c u i t 4
+ Circuit 5a
-- C i r c u i t 5 a
+ Circuit 4
-- C i r c u i t 5 b
+SideML
-- S i d e M L
+SideML
-- S i d e M L
+ Awning light
-- Awning l ight
D+ point
Note:
Fuse only for AES
refrigerator
+ Refrigerator
-- Refrigerator
Step
Step
Fridge controller
D+ point
MNL connector socket 6F Block 1
+ Mul timedia 1
-- Multimedia 1
+ Mul timedia 2
-- Multimedia 2
+ Mul timedia 3
-- Multimedia 3
-- P u m p
+Pump
D+ point
MNL connector socket 9F Block 2
MNL connector socket 12F Block
5
+ Circuit 1a
-- C i r c u i t 1 a
+ Circuit 1b
-- C i r c u i t 1 b
+ Circuit 2a
-- C i r c u i t 2 a
+ Circuit 2b
-- C i r c u i t 2 b
+ Circuit 3a
-- C i r c u i t 3 a
+ Circuit 3b
-- C i r c u i t 3 b
+ Sensor, leisure area batt. each 1.5mm
2
Negative, leisure area battery sensor max.
Side marking li ghts input
D+ (ag) input
MNL connector socket 4F Block 4
Pin strip MSFQ/0--12F BL6
Mains indicator
+ starter battery (batt. 1)
Pump
Multimedia
Light
Negative living area battery sensor
+ s ensor, lei sure area battery / batt. 2)
Charging relay
for starter
battery
Changeover
switch
lead-gel/
lead-acid
The negative pole of the living
area battery must be connected
externally to the negative pole
of the starter battery.
E20-3F
+ starter battery (batt. 1)
+ l eisure area battery (batt. 2)
Negative, leisure area battery
Circuit board K PL EBL 241-2
No cut--off relay due to booster operation

Related product manuals