EasyManua.ls Logo

Schaudt Electroblock EBL 30 - Block Diagram;Wiring Diagram

Schaudt Electroblock EBL 30
16 pages
Print Icon
To Previous Page IconTo Previous Page
To Previous Page IconTo Previous Page
Loading...
Instruction Manual for Electroblock EBL 30 / EBL 30 with OVP
16
Date: 15.10.2018 8110305 BA / EN
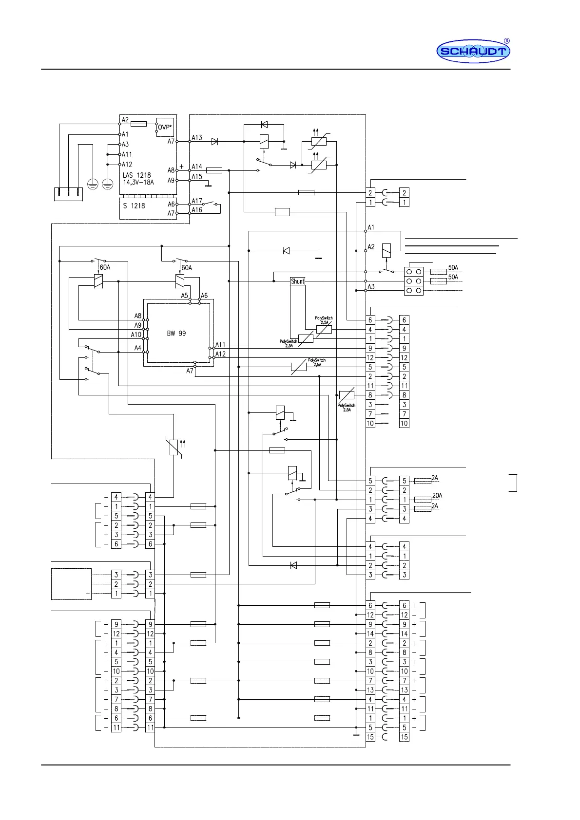
G Block diagram/wiring diagram
Mains 230V~50Hz
WAGO connector
Changeover switch
Lead-gel
AGM
Main switch relay
(for s hutting down/battery moni tor)
Main switch relay
for 12V ON/OFF)
Charging relay
starter battery
MNL -connector s ockets 2F -BL7
+ Auxiliary charger
Negative charger
Battery c u t-off relay
The negative pole of the living area
battery
must be connected externally to
the
negative pole of the starter battery
.
+ starter battery (batt. 1)
+ l iving area battery (batt. 2)
Leisure battery negative
E20-- 3F
MR -pin socket 12 F -block 3
Mains indicator
Shunt battery
Shunt consumer
12 V ON
12 V OFF
12V c ontrol
Negative sensor lei sure area battery (batt. 2)
+ sensor living area battery (batt. 2)
+ starter battery (batt. 1)
Not assigned
Not assigned
Not assigned
* Refrigerator lines must be routed s eparated from further
battery lines to the battery poles.
MNL-connector sockets 5F-Block
2
+ Lei sure battery sensor
Negative leisure area battery sensor
+ Starter battery for refrigerator *
D+ input
Negative starter battery for refrigerator *
MNL connec tor socket 4F-Block 1
1.5 mm
2
each
Max. 10 m
+ compressor/AES- refrigerator
+ Absorber refrigerator *
D+ point
Negative, refrigerator
MNL-connector sockets 15F-Bloc k 8
TV
Pump
Circuit 1
Circuit 2
Sockets 1
Multimedia
Spare 1
Not assigned
MNL-connector sockets 6F-Block
4
Frost protection valve
Heater
Floor
light/step
MNL-connector sockets 3F-Block 6
Solar-
charge-
regulator
MNL-connector sockets 12F-Block 5
Floor light 4A
Sockets 2
Spare 2
Floor light 4B/radio
Batterycut-
off swi tch
(off)
* Only for E BL 30 with OVP
SB
WB
Refrigerator relay
Refrigeratorrelay
EBL 30
10A*
15A*
15A
15A*
25A*
10A*
10A*
10A*
7.5A*
15A*
15A*
10A*
10A*
10A*
20A*
20A
20A
* Default values, see Table 15 for maximum values

Related product manuals