EasyManua.ls Logo

Schlage L9010 - Hotel with Indicator Trim: L9486, LV9486, L9486 X L583-375, LV9486 X L583-375, L9496*, LV9496

Schlage L9010
144 pages
Print Icon
To Next Page IconTo Next Page
To Next Page IconTo Next Page
To Previous Page IconTo Previous Page
To Previous Page IconTo Previous Page
Loading...
L Service Manual
34
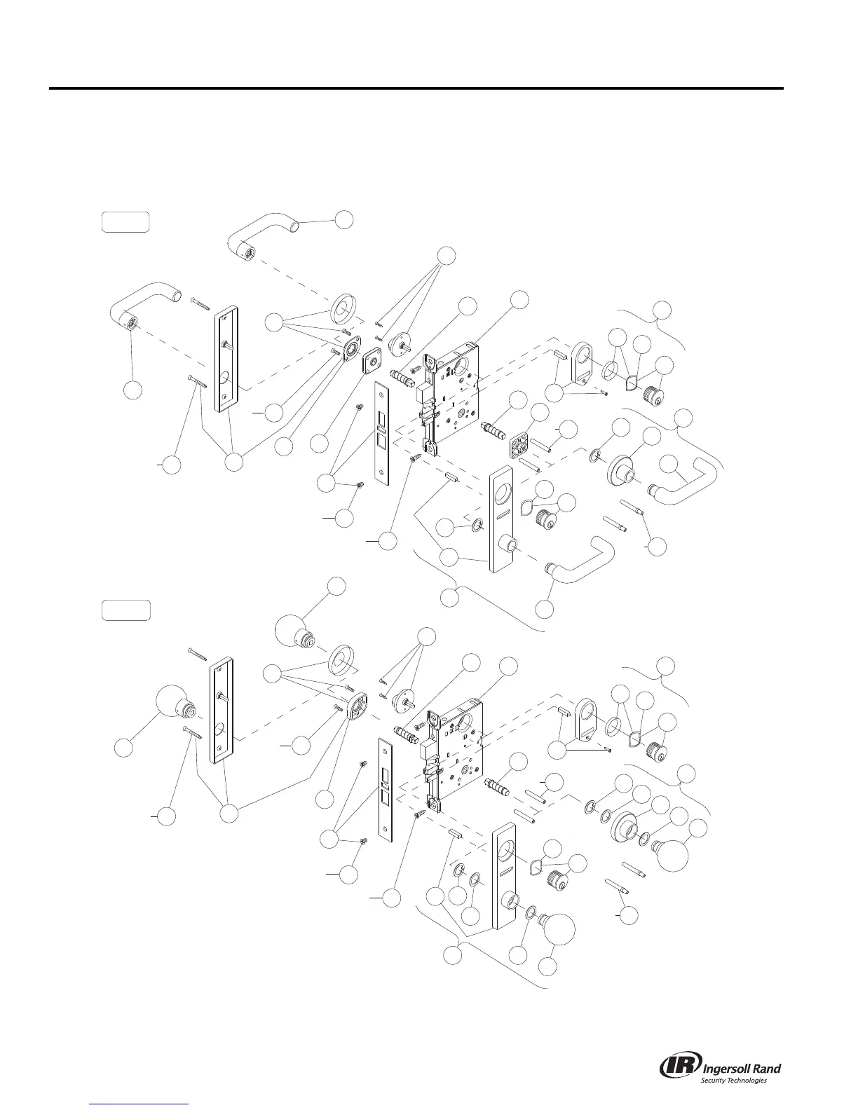
Trim Assemblies
Hotel with Indicator Trim: L9486, LV9486, L9486 x L583-375, LV9486 x L583-375, L9496*,
LV9496*
* Actual lock function has a latch and deadbolt. Lock case and armor front shown with latch, auxiliary latch, and deadbolt.
NOTE: Standard full face mortise cylinder shown.
B
AA
F
BB
Q
M
DD
O
EE
H
AA
II
X
D
E
A
O
DD
X
J
G
A
B
F
AA
BB
M
Q
DD
O
E
U
U
D
U
A
H
EE
AA
C
CC
HH
I
S
K
T
R
J
U
U
G
U
A
O
DD
B
R
T
K
Z
CC
Y
I
2
2
2
2
2
2
2
2
2
2
EE
2
EE
2
S
B
C
Knobs
Levers

Table of Contents

Other manuals for Schlage L9010

Related product manuals