EasyManua.ls Logo

Schweitzer Engineering Laboratories SEL-787-2 - Page 31

Schweitzer Engineering Laboratories SEL-787-2
40 pages
Print Icon
To Next Page IconTo Next Page
To Next Page IconTo Next Page
To Previous Page IconTo Previous Page
To Previous Page IconTo Previous Page
Loading...
Schweitzer Engineering Laboratories, Inc. SEL-787-2, -3, -4 Data Sheet
31
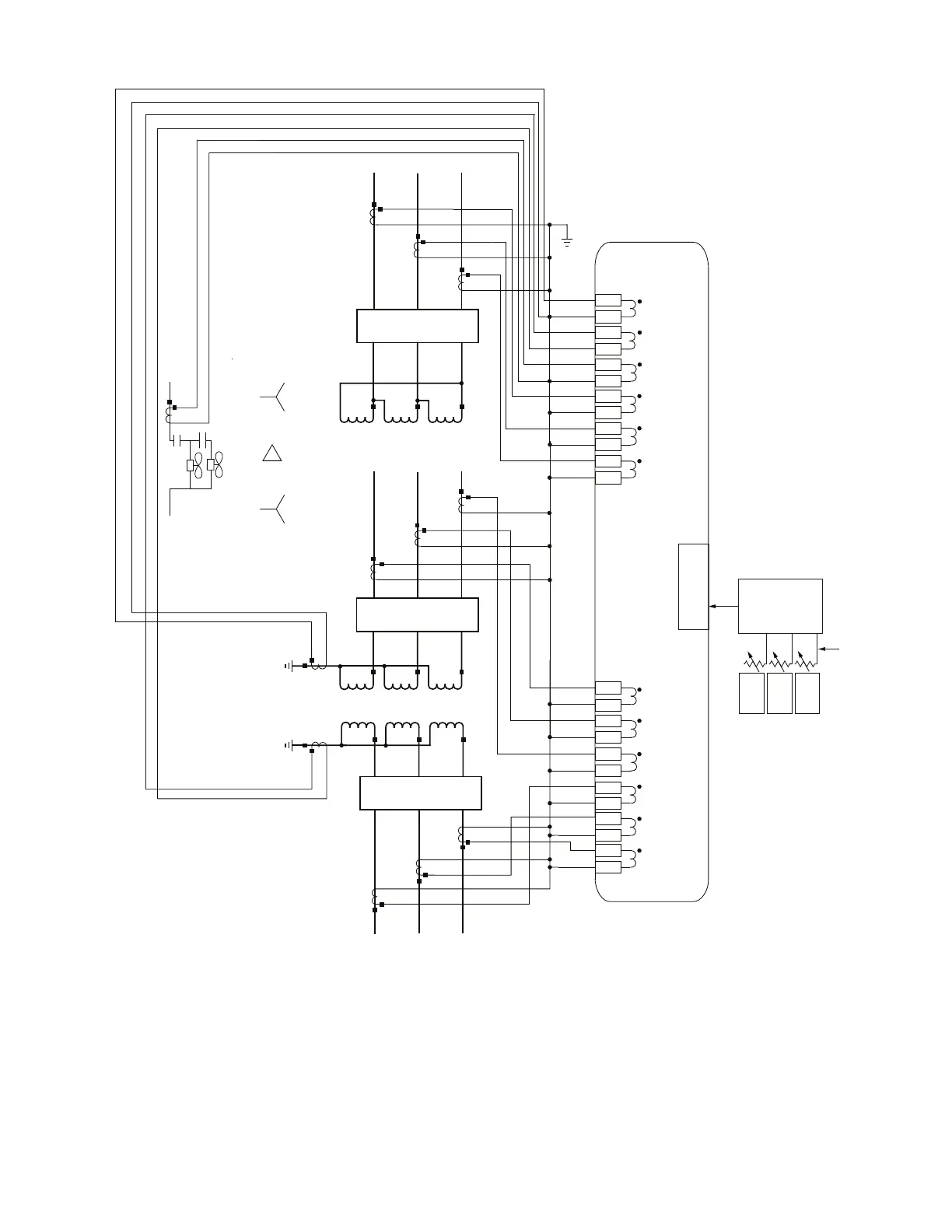
Figure 45 SEL-787-4X Provides 3-Winding Transformer Differential Protection, REF Protection, Overcurrent
Protection, and Fan Bank Control With LTC Monitoring
SEL-787-4X Relay
52-4
52-1
A2 (H1)
B2 (H2)
C2 (H3)
a (T1)
b (T2)
c (T3)
Fiber Port
SEL-2600
N
L
E01
E03
E04
E06
E08
E05
E07
E09
E10
E12
E02
A2 B2
C2
Z01
Z02
Z03
Z04
Z05
Z06
52-2
Z07
Z08
Z09
Z10
Z11
Z12
IAW3
IBW3
ICW3
IAW4
IBW4
ICW4
IAW1
IBW1
ICW1
IAW2
IBW2
ICW2
RTDs
E11
Ambient
Temp
Top Oil
Temp
LTC
Note: The CT secondary circuit should be grounded in the relay cabinet.
2000/5 A
13.8 kV
30 MVA
69 kV
200/5 A
IBW3
IAW3
A1 B1 C1
400/5 A
a b c
A1 (X1)
B1 (X2)
C1 (X3)
138 kV
T3
T2
T1
X3
X2
X1
H3
H2
H1

Related product manuals