EasyManua.ls Logo

Schweitzer Engineering Laboratories SEL-787-2 - Page 7

Schweitzer Engineering Laboratories SEL-787-2
40 pages
Print Icon
To Next Page IconTo Next Page
To Next Page IconTo Next Page
To Previous Page IconTo Previous Page
To Previous Page IconTo Previous Page
Loading...
Schweitzer Engineering Laboratories, Inc. SEL-787-2, -3, -4 Data Sheet
7
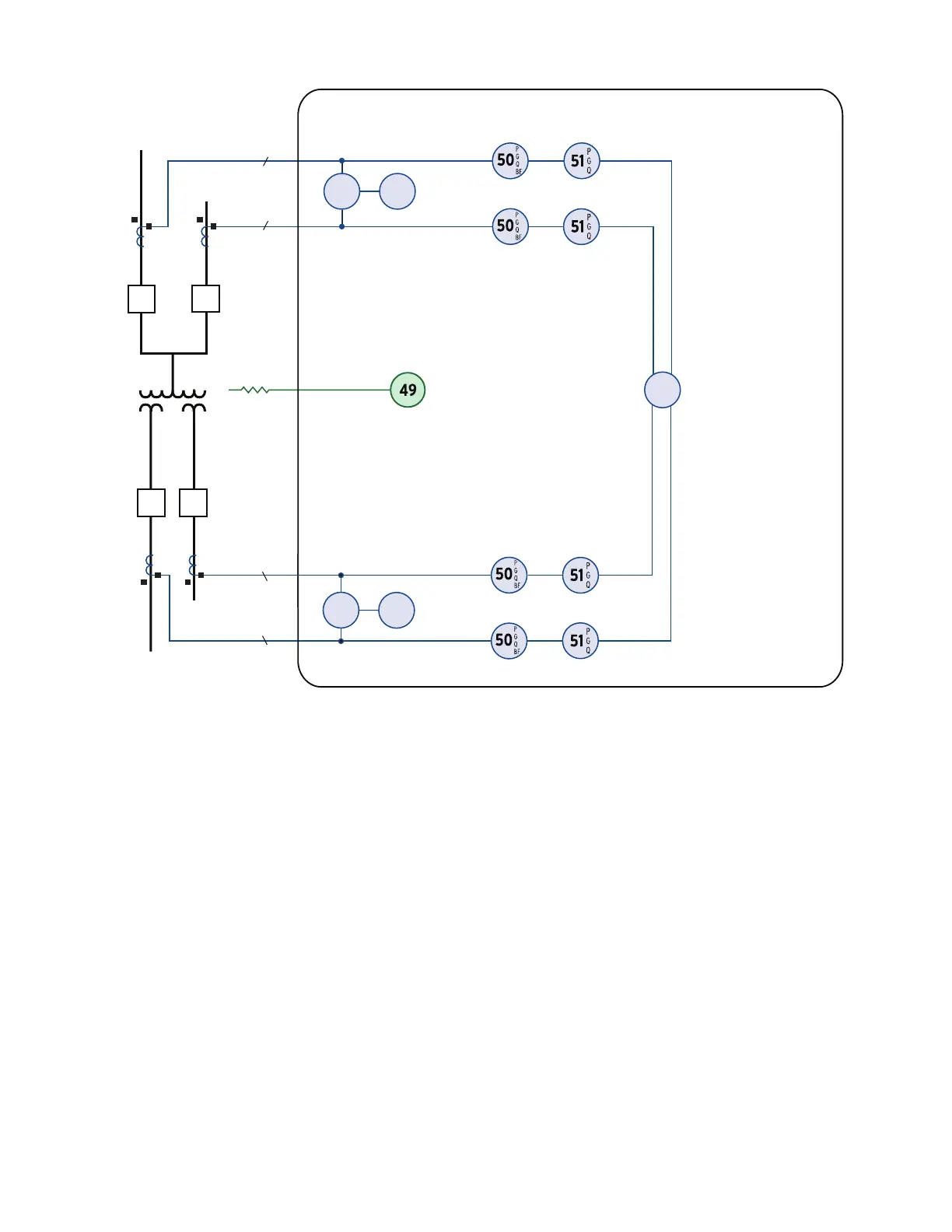
Figure 3 SEL-787-4X Functional Diagram
3
Temperature Alarm
and Trip
SEL-787-4X Transformer Protection Relay
52
52
Overcurrent
Time-Overcurrent
Combined
Time-
Overcurrent
Overcurrent
Time-Overcurrent
• Sequential Events Recorder
• Event Reports
• Web Server
• SEL, Ethernet*, Modbus RTU, Modbus TCP/IP*,
DNP3 serial*, DNP3 LAN/WAN*, FTP*, Telnet*, SNTP*,
IEEE 1588-2008 firmware-based PTP*, IEC 61850 Edition 2*,
IEC 60870-5-103*, EtherNet/IP*, PRP*, Event Messenger,
DeviceNet* Communications
• Synchrophasor Data and IEEE C37.118-2005 Compliant
Protocol
• Two Inputs and Three Outputs Standard
• I/O Expansion*--Additional Contact Inputs/Outputs, Analog
Inputs/Outputs, and RTD Inputs
• Single or Dual Ethernet Copper or Fiber-Optic
Communications Port*
Σ
51
51
P
G
87
87
Current
Differential
3
• Battery-Backed Clock, IRIG-B Time Synchronization
• Instantaneous, Differential, Harmonic, and RMS
Metering
• Programmable Pushbuttons and LED Indicators
• Through-Fault Monitoring
• Transformer Thermal Monitoring
• Circuit Breaker Contact Wear Monitor
• Advanced SEL
OGIC Control Equations
• 32 Programmable Display Messages
• M
IRRORED BITS Communications
• Front-Panel Programmable Tricolor LED Targets
• Front-Panel HMI With 2 x 16-Character LCD
• 5-Inch, Color, 800 x 480-Pixel Touchscreen Display*
*Optional Functions
Internal or External
RTD Input
3
52
52
Overcurrent
Time-Overcurrent
Combined
Time-
Overcurrent
Overcurrent
Time-Overcurrent
Σ
51
51
P
G
3

Related product manuals