EasyManua.ls Logo

Schweitzer Engineering Laboratories SEL-787-3 - Page 6

Schweitzer Engineering Laboratories SEL-787-3
32 pages
Print Icon
To Next Page IconTo Next Page
To Next Page IconTo Next Page
To Previous Page IconTo Previous Page
To Previous Page IconTo Previous Page
Loading...
SEL-787-3, -4 Data Sheet Schweitzer Engineering Laboratories, Inc.
6
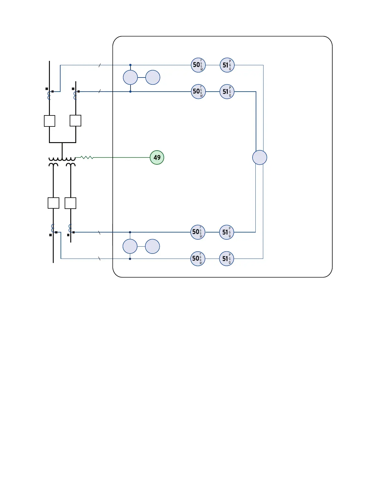
Figure 3 SEL-787-4X Functional Diagram
3
Temperature Alarm
and Trip
SEL-787-4X Transformer Protection Relay
52
52
Overcurrent
Time-Overcurrent
Combined
Time-
Overcurrent
Overcurrent
Time-Overcurrent
• Sequential Events Recorder
• Event Reports
• SEL ASCII, Ethernet*, Modbus TCP*, IEC 61850*, DNP3
LAN/WAN*, DNP3 Serial*, 60870-5-103*, Modbus RTU,
Telnet, FTP, SNTP*, and DeviceNet
TM
Communications*
• Synchrophasor Data and IEEE C37.118 Compliant Protocol
• Front-Panel Programmable Tricolor LED Targets
• Two Inputs and Three Outputs Standard
• I/O Expansion*--Additional Contact Inputs, Contact
Outputs, Analog Inputs, Analog Outputs, and RTD Inputs
• Single or Dual Ethernet Copper or Fiber-Optic
Communications Port*
Σ
51
51
P
G
87
87
Current
Differential
3
• Battery-Backed Clock, IRIG-B Time Synchronization
• Instantaneous, Differential, Harmonic, and RMS
Metering
• Programmable Pushbuttons and LED Indicators
• Through-Fault Monitoring
• Transformer Thermal Monitoring
• Circuit Breaker Contact Wear Monitor
• Advanced SEL
OGIC Control Equations
• 32 Programmable Display Messages
• M
IRRORED BITS Communications
*Optional Functions
Internal or External
RTD Input
3
52
52
Overcurrent
Time-Overcurrent
Combined
Time-
Overcurrent
Overcurrent
Time-Overcurrent
Σ
51
51
P
G
3

Related product manuals