EasyManua.ls Logo

scope GEO40A - LCD Display Description

scope GEO40A
11 pages
Print Icon
To Next Page IconTo Next Page
To Next Page IconTo Next Page
To Previous Page IconTo Previous Page
To Previous Page IconTo Previous Page
Loading...
SCOPE GEO40A User Manual
GEO40USER 4 of 10 Issue 1
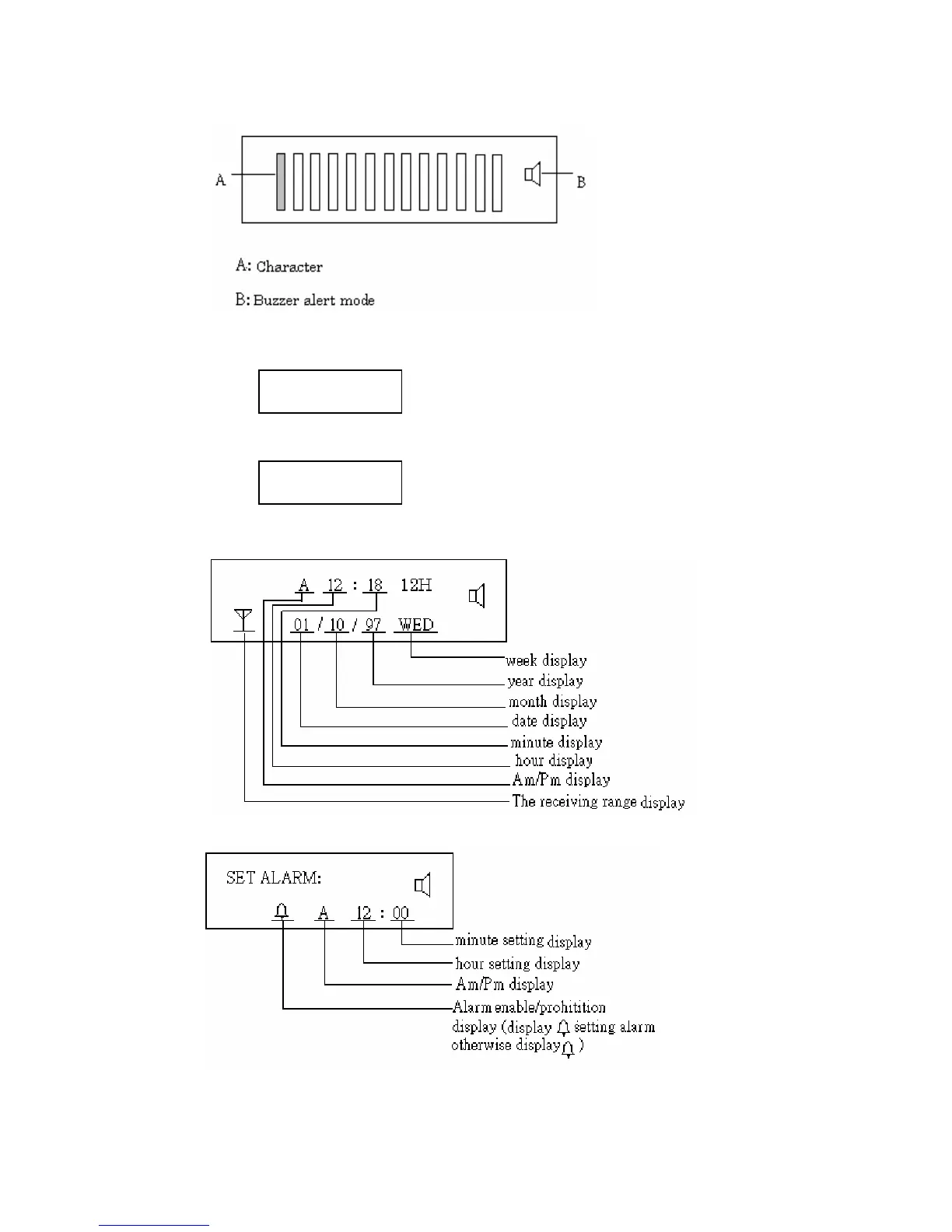
2.7 LCD display description
(1) LCD display screen
(2) Power off display
(3) Power on standby display
(4) Time display mode
(5) Alarm display mode
(6) The content of call header

Related product manuals