EasyManua.ls Logo

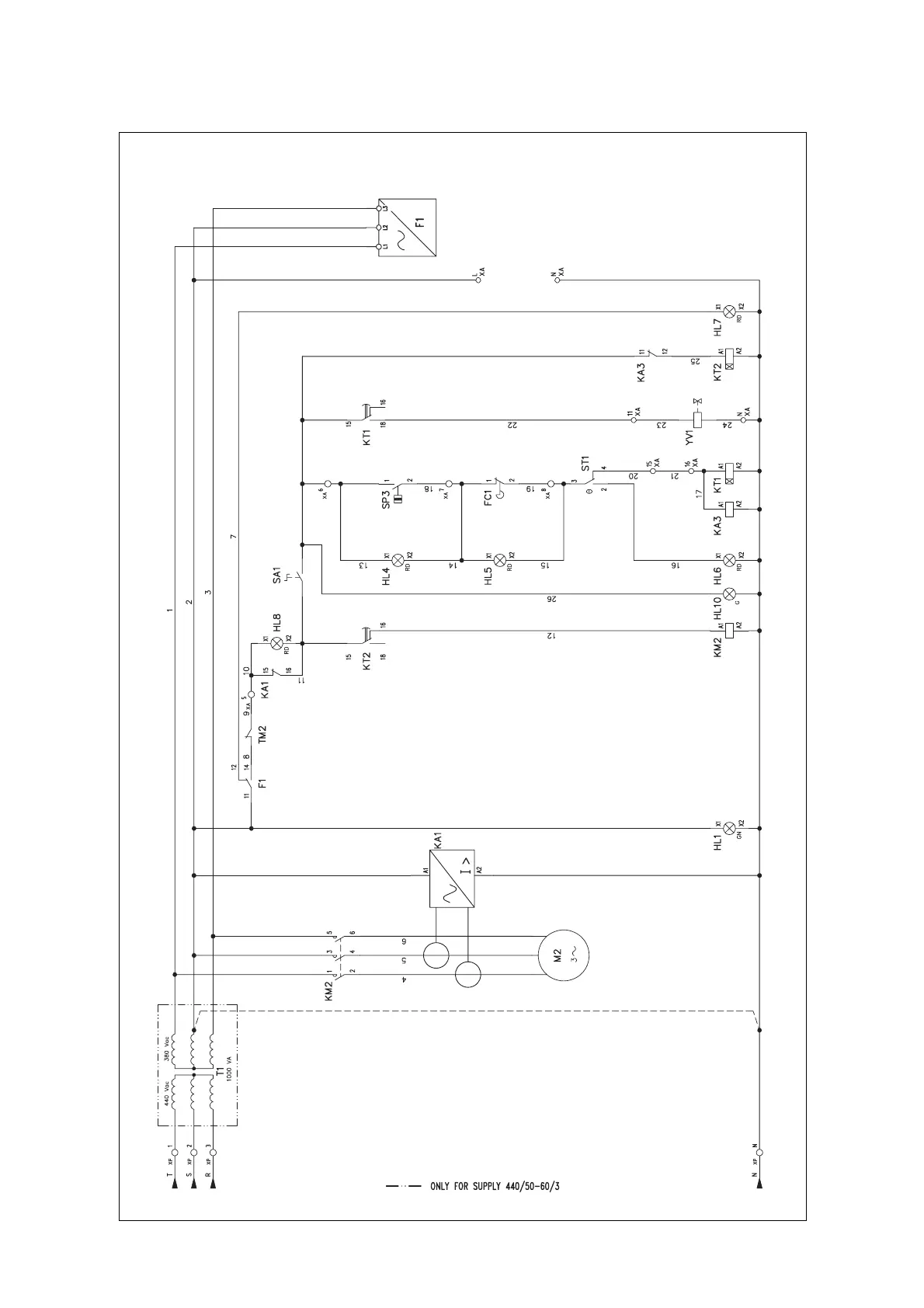
Scotsman MF 88 - Wiring Diagram Mf;Mfn 88

Scotsman MF 88
21 pages
Print Icon
To Next Page IconTo Next Page
To Next Page IconTo Next Page
To Previous Page IconTo Previous Page
To Previous Page IconTo Previous Page
Loading...
Page 18
Page 18
WIRING DIAGRAM MF/MFN 88

Related product manuals