EasyManua.ls Logo

Scotsman MXG 427 - Operatiobnal Checks

Scotsman MXG 427
36 pages
Print Icon
To Next Page IconTo Next Page
To Next Page IconTo Next Page
To Previous Page IconTo Previous Page
To Previous Page IconTo Previous Page
Loading...
Page 13
Page 13
16
15
14
13
2
1
7
8
9
10
3
4
5
6
11
12
Rx Tx
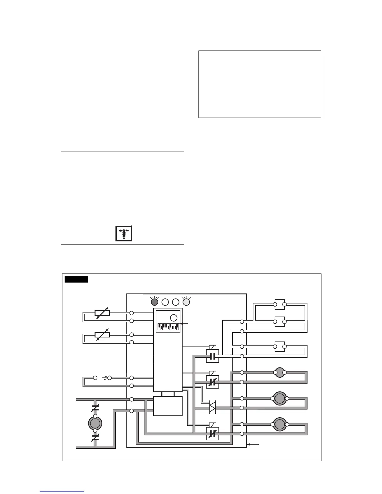
WATER IN VALVE
HOT GAS VALVE
CONTACTOR COIL
FAN MOTOR
WATER PUMP
- EVAPORATOR
- AMBIENT
- CONDENSER
TEMPERATURE SENSORSBINCOMPRESSOR
TRANSF.
DATA
PROCESSOR
ELECTR.
TIMER
DIP
SWITCH
ELECTRONIC CARD
L
N
RELAYS
RELAY
TRIAC
WATER DRAIN VALVE
FIG. 2
C. At completion of the water filling phase (5
minutes) the unit passes automatically into the
freezing cycle with the start up of:
COMPRESSOR
WATER PUMP
FAN MOTOR/S (in air cooled version) controlled
by the condensing temperature sensor located
within the condenser fins (Fig.2).
OPERATIONAL CHECKS
D. If necessary install the refrigerant service
gauges on both the high side and low side
Schräder valves to check the compressor head
and suction pressures.
NOTE.
On air cooled models, in case of
condenser clogging such to prevent the proper
flow of the cooling air or, in case the fan motor
is out of operation or shortage of water in the
water cooled condenser, the condenser tem-
perature rises and when it reaches 70
°
C
(160
°
F) - for air cooled version - or 60
°
C
(140
°
F) - for water cooled version - the
condenser temperature sensor shuts-off the
ice maker with the consequent light-up of the
RED WARNING LED (Fig.3).
After having diagnosed the reason of the rise
of temperature and removed its cause, it is
necessary to unplug (wait few seconds) and
plug in again the unit, thus to put the
machine in condition to initiate a new
freezing cycle.
The machine restarts with the usual 5 minutes
water filling phase in order to provide enough
water into the sump tank.
E. Check to see through the ice discharge
opening that the self propeller spray bar is
correctly rotating and that the water jets
uniformely reach the interior of the inverted
mold cups and there is not excessive water
spilling through it.
F. The ice making process takes place thereby,
with the water sprayed into the molds that gets
gradually refrigerated by the heat exchange with
the refrigerant flowing into the evaporator
serpentine.

Related product manuals