EasyManua.ls Logo

Scotsman MXG 427 - Sanitation

Scotsman MXG 427
36 pages
Print Icon
To Next Page IconTo Next Page
To Next Page IconTo Next Page
To Previous Page IconTo Previous Page
To Previous Page IconTo Previous Page
Loading...
Page 32
Page 32
C. CLEANING INSTRUCTIONS OF
WATER SYSTEM
1. Remove left, center and right front panels to
gain access either to the control box and to the
evaporator.
2. Wait till the end of defrost cycle then turn the
unit OFF by the main switch (disconnect power
supply).
3. Prepare for each freezing chamber the
cleaning solution by diluting in a plastic container
two or three liters of warm water (45°-50°C) with
a 0,2-0,3 liters of SCOTSMAN Ice Machine
Cleaner.
WARNING. The SCOTSMAN Ice Machine
Cleaner contains Phosphoric and
Hydroxyacetic acids. These compounds
are corrosive and may cause burns if
swallowed, DO NOT induce vomiting.
Give large amounts of water or milk. Call
Physician immediatelly. In case of
external contact flush with water. KEEP
OUT OF THE REACH OF CHILDREN
4. Scoop out all the ice cubes stored into the
bin in order to prevent them from being
contaminated with the cleaning solution then
flush out the water from the sump reservoir by
bending down the vertical sump drain hose.
5. Remove the evaporator cover then slowly
pour onto the evaporator piaten the cleaning
solution- With the help of a brush dissolve the
most resistant and remote scale deposits in the
platen.
Perform the same for all the four evaporators.
6. Give power to the unit by the main switch.
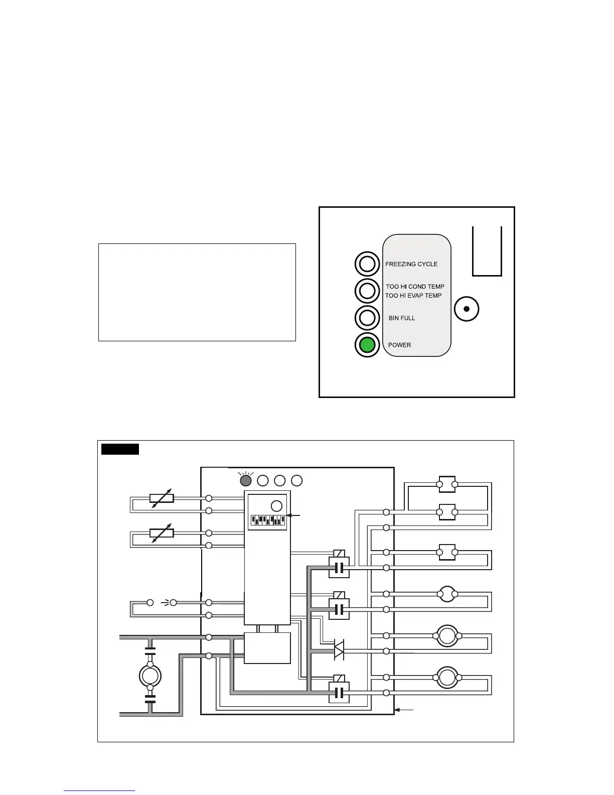
7. During the Water Filling Phase push RESET
BUTTON for more then 2” but less then 5” the
machine enter in Cleaning Mode (Fig.7)
16
15
14
13
2
1
7
8
9
10
3
4
5
6
11
12
Rx Tx
WATER IN VALVE
HOT GAS VALVE
CONTACTOR COIL
FAN MOTOR
WATER PUMP
- EVAPORATOR
- AMBIENT
- CONDENSER
TEMPERATURE SENSORSBINCOMPRESSOR
TRANSF.
DATA
PROCESSOR
ELECTR.
TIMER
DIP
SWITCH
ELECTRONIC CARD
L
N
RELAYS
RELAY
TRIAC
WATER DRAIN VALVE
FIG. 7

Related product manuals