EasyManua.ls Logo

Scotsman MXG 427 - SERVICE DIAGNOSIS

Scotsman MXG 427
36 pages
Print Icon
To Next Page IconTo Next Page
To Next Page IconTo Next Page
To Previous Page IconTo Previous Page
To Previous Page IconTo Previous Page
Loading...
Page 27
Page 27
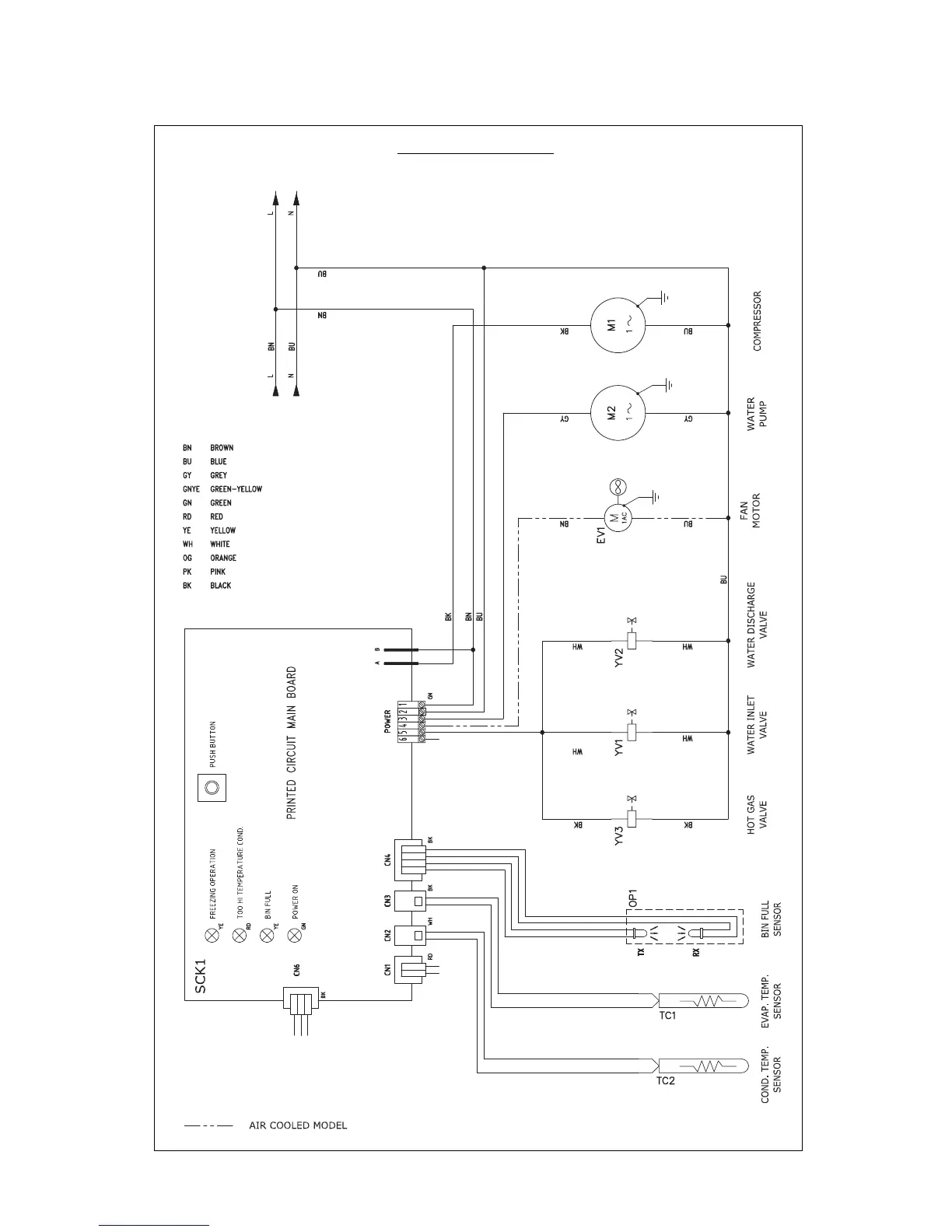
WIRING DIAGRAM
MXG 327 - 427 - 437 A 230/50/1

Related product manuals