EasyManua.ls Logo

SeaDoo XP DI - Page 153

SeaDoo XP DI
801 pages
Print Icon
To Next Page IconTo Next Page
To Next Page IconTo Next Page
To Previous Page IconTo Previous Page
To Previous Page IconTo Previous Page
Loading...
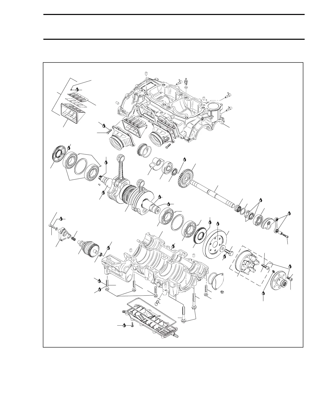
Section 04 ENGINE (2-STROKE)
Subsection 05 (BOTTOM END)
947 DI Engines
F18D2QS
Loctite 243
Loctite
243
Loctite 243
Loctite 648
23 Nm
(17 lbfft)
Synthetic
grease
Loctite
243
Molykote
111
Molykote
111
Molykote 111
Molykote
111
Molykote
111
Loctite
518
27 Nm
(20 lbfft)
Loctite
5910
6.5 Nm
(58 lbfin)
9 Nm
(80 lbfin)
7 Nm
(62 lbfin)
Anti-seize
lubricant
Anti-seize
lubricant
1.5 Nm
(13 lbfin)
Loctite 243
Molykote
111
115 Nm
(85 lbfft)
6.5 Nm
(58 lbfin)
Engine
oil
27 Nm
(20 lbfft)
40 Nm
(30 lbfft)
20 Nm
(15 lbfft)
Anti-seize
lubricant
28
5
4
6
16
15
17
29
30
14
13
2
24
25
9
27
23
3
2
4
4
6
6
5
1
22
20
21
7
8
7
7
31
32
15
13
8
XP DI
only
Loctite 243
23 Nm
(17 lbfft)
21
smr2004-Complete Line Up 131
www.SeaDooManuals.net

Table of Contents

Related product manuals