EasyManua.ls Logo

SEM 22 - Disintegrator Starter Diagram

SEM 22
30 pages
Print Icon
To Next Page IconTo Next Page
To Next Page IconTo Next Page
To Previous Page IconTo Previous Page
To Previous Page IconTo Previous Page
Loading...
508.366.1488 | www.semshred.com
10
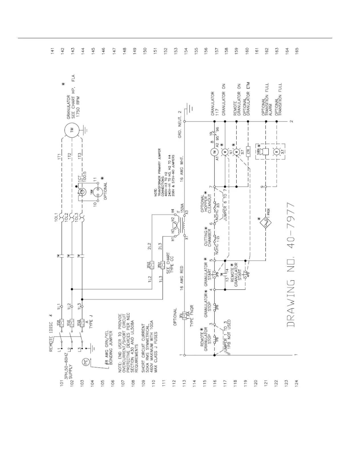
4. Disintegrator Starter Diagram

Related product manuals