EasyManua.ls Logo

Sencotel Granitore 1 - Page 114

Sencotel Granitore 1
Print Icon
To Next Page IconTo Next Page
To Next Page IconTo Next Page
To Previous Page IconTo Previous Page
To Previous Page IconTo Previous Page
Loading...
- 26 _DE- SL310005700 Ed.00 - 04-2011
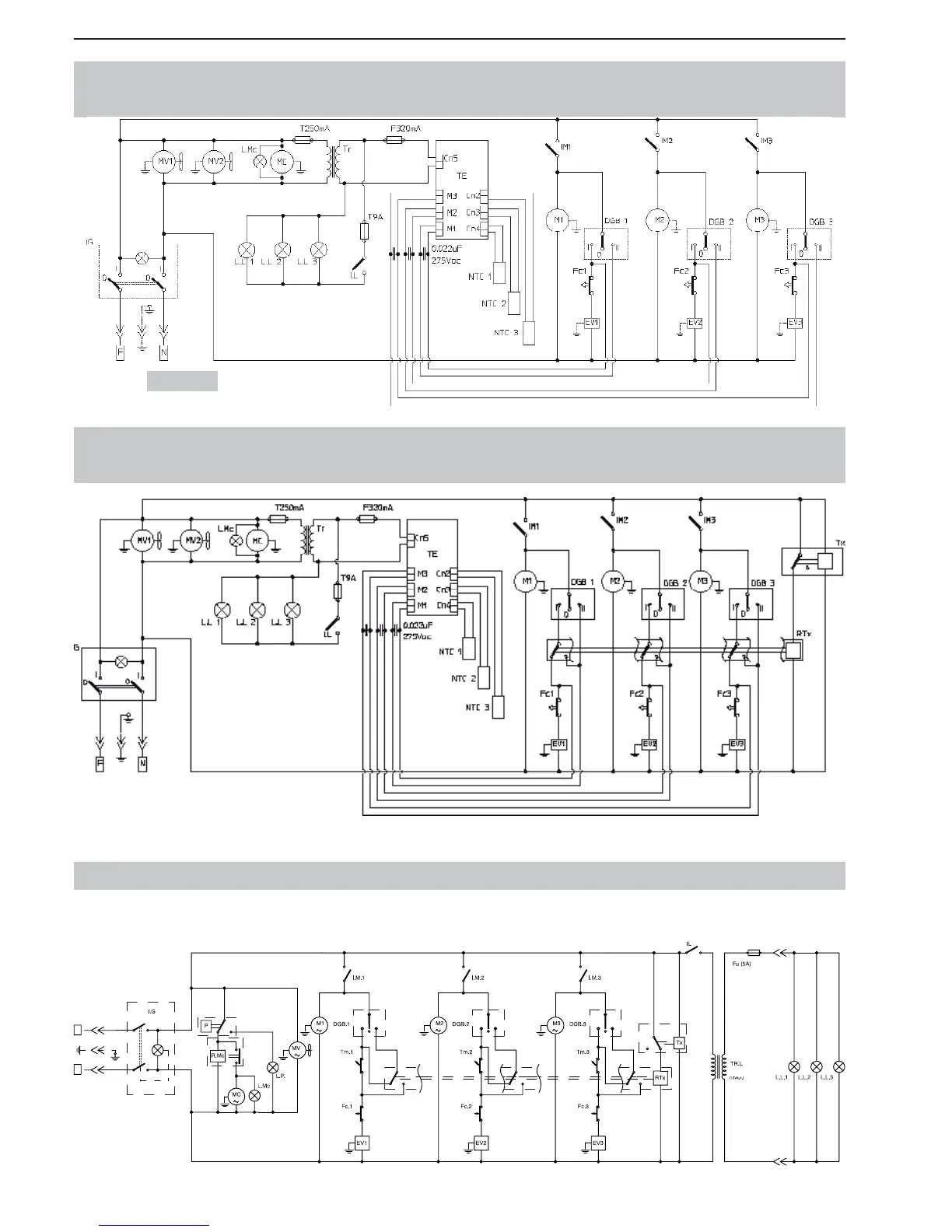
STROMLAUFPLÄNE (GRANITA-MASCHINE 3) / 115V
N
F
0
I
I
0
I
0
0
I
I
I
II IIII I
0
I
STROMLAUFPLÄNE
(GRANITA-MASCHINE 3FF MIT ELEKTRONISCHEM THERMOSTAT)
STROMLAUFPLÄNE
(GRANITA-MASCHINE 3FF MIT ELEKTRONISCHEM THERMOSTAT +TIMER)
230 Volt

Table of Contents