EasyManua.ls Logo

Sencotel Granitore 1 - Page 139

Sencotel Granitore 1
Print Icon
To Next Page IconTo Next Page
To Next Page IconTo Next Page
To Previous Page IconTo Previous Page
To Previous Page IconTo Previous Page
Loading...
SL320005700 Ed.00 - 04-2011 - 25 _FR-
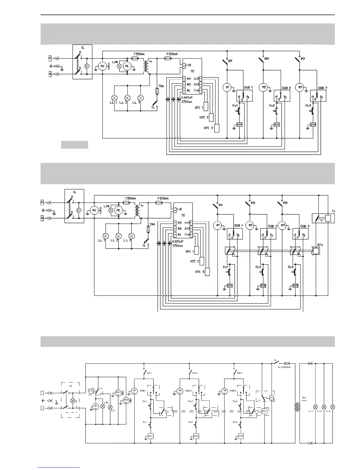
SCHEMAS DES CIRCUITS ELECTRIQUES (
DISTRIBUTEUR DE GRANITÉS
3) / 230V
I
0
III IIII
I
I
I
0
0
I
0
I
I
0
F
N
SCHEMAS DES CIRCUITS ELECTRIQUES
(DISTRIBUTEUR DE GRANITÉS 3 AVEC THERMOSTAT ÉLECTRONIQUE)
SCHEMAS DES CIRCUITS ELECTRIQUES
(DISTRIBUTEUR DE GRANITÉS 3 AVEC
THERMOSTAT ÉLECTRONIQUE + TEMPORISATEUR)
230 Volt

Table of Contents