EasyManua.ls Logo

Sencotel Granitore 1 - Page 140

Sencotel Granitore 1
Print Icon
To Next Page IconTo Next Page
To Next Page IconTo Next Page
To Previous Page IconTo Previous Page
To Previous Page IconTo Previous Page
Loading...
- 26 _FR- SL320005700 Ed.00 - 04-2011
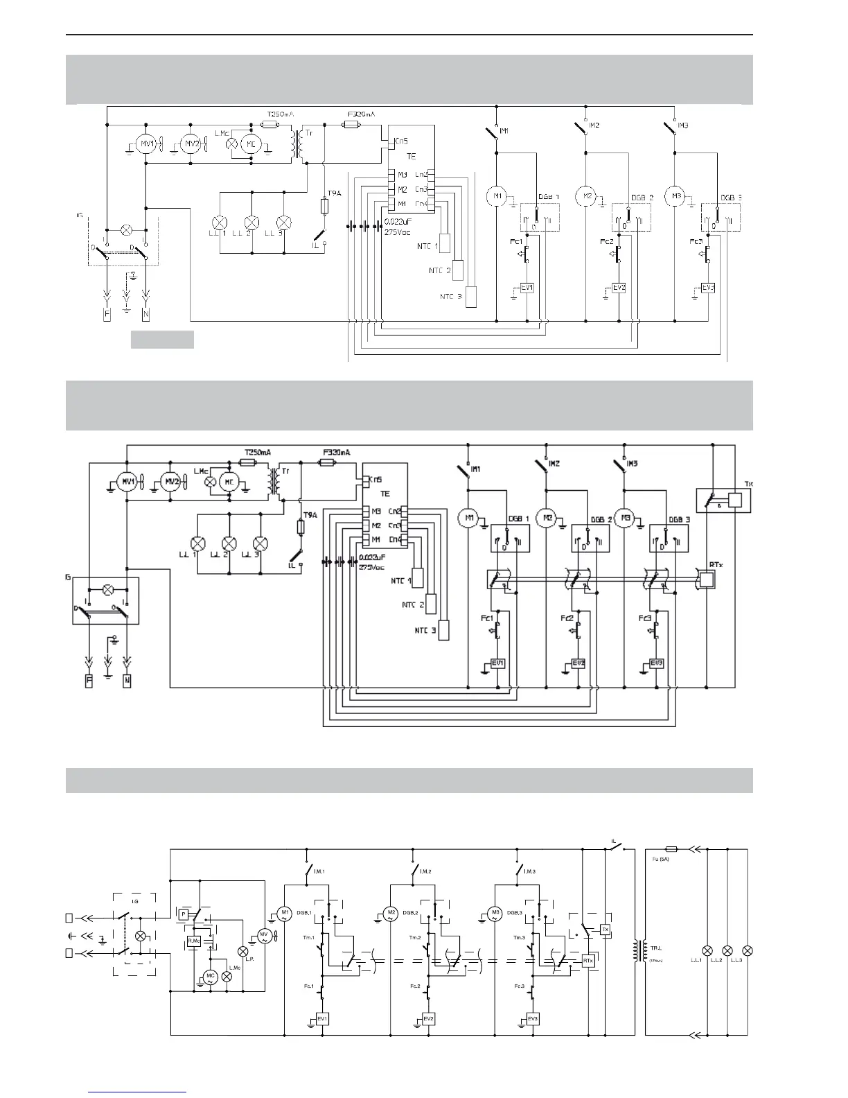
SCHEMAS DES CIRCUITS ELECTRIQUES (
DISTRIBUTEUR DE GRANITÉS
3) / 115V
N
F
0
I
I
0
I
0
0
I
I
I
II IIII I
0
I
SCHEMAS DES CIRCUITS ELECTRIQUES
(DISTRIBUTEUR DE GRANITÉS 3FF AVEC THERMOSTAT ÉLECTRONIQUE)
SCHEMAS DES CIRCUITS ELECTRIQUES
(DISTRIBUTEUR DE GRANITÉS 3FF AVEC
THERMOSTAT ÉLECTRONIQUE + TEMPORISATEUR)
230 Volt

Table of Contents